随着浅部资源逐渐衰竭,资源开采逐步走向深部,而深部资源赋存地质条件复杂,地应力、地下水、地温、岩体破裂程度等都影响着深部开采[1 ] 。一直以来,地下水对深部岩体工程的稳定性都有重要影响,一方面地下水能通过改变岩体介质中的孔隙水压力来影响岩石的强度和变形;另一方面,地下水对岩体产生软化、泥化、冲刷等作用;对于一些酸性地下水,对岩体有溶解作用、水解作用、且还能与岩体部分成分发生化学反应[2 ] 。在深部采矿过程中,含氧水与围岩相互作用致使地下水呈酸性;在天然环境下,经过长期水环境演化,也使地下水呈酸性[3 ] 。目前,众多国内外学者对岩石开展了水、酸环境状态下的相关试验,对化学腐蚀岩石机制进行了相关研究,建立了相关的模型[4 -14 ] 。Zhao等[4 ] 研究了水-岩力学作用和物理化学组合作用在库岸边坡变形中的作用,结果表明,水-岩相互作用引起的节理剪切刚度和强度的退化对库岸边坡的稳定性起着关键作用。Miao等[5 ] 对在不同pH值和流速条件下的花岗岩进行了单轴、三轴、劈裂试验,比较分析了花岗岩的强度损失和变形特性。用扫描电镜和电子能谱分析了酸性化学腐蚀对花岗岩微观结构、缺陷形态和矿物元素的影响。Qiao等[6 ] 的研究结果表明,水对岩石产生复杂的物理和化学影响,岩石的水物理效应包括矿物颗粒或水泥之间界面的润滑和软化以及矿物成分的冲刷、分散和运输。水化学效应包括不稳定矿物颗粒表面与水溶液之间的化学反应。Xie等[7 ] 对酸化处理后的闪长岩进行了研究,结果表明,酸化后的闪长岩力学性能大大降低。Okubo等[8 ] 分别对干燥和饱水状态下的凝灰岩和安山岩进行了单轴压缩蠕变试验,结果表明饱水状态试样的蠕变应变大于干燥试样,而蠕变破坏的强度小于干燥试样。Brzesowsky等[9 ] 研究了水化学与应力耦合对砂岩的蠕变影响规律。丁梧秀等[10 ] 研究了裂隙岩石在化学腐蚀下的损伤效应,并建立了断裂准则。刘永胜[11 ] 对岩石进行了化学腐蚀处理,开展了细观试验,研究了化学腐蚀后巷道围岩的细观力学性能。张站群等[12 ] 对灰岩进行了化学腐蚀处理,然后用霍普金森杆对被腐蚀后的灰岩进行了动态拉伸试验,探究了被腐蚀后灰岩的动态力学特性。王艳春等[13 ] 对进行了不同化学pH值浸泡处理的页岩开展了三轴蠕变试验,并建立了蠕变本构模型,得到了不同酸碱性对页岩蠕变参数影响的趋势。姜立春等[14 ] 开展了酸性矿山排泄水(acid mine drainage,AMD)溶液蚀化下的砂岩单轴压缩试验,建立了AMD蚀化下砂岩的损伤本构模型,结果表明模型能较好地反映AMD蚀化下砂岩损伤演化规律。不过这些研究大都是先对试样水化或者酸化处理,再进行力学试验。在实际深部地下工程中,地下水对岩石的侵蚀与应力对岩石的作用是同时存在的,目前水、酸腐蚀岩石与岩石力学试验同时进行相关试验研究比较缺乏。
分数阶微积分是整数阶微积分向任意阶的推广,是一种解决工程力学建模问题的主要工具,目前广泛应用于岩石蠕变建模。殷德顺等[15 ] 利用R-L分数阶微积分算子理论,给出了一种用于模拟理想固体与理想流体之间的土体的软体元件和本构模型。Zhou等[16 ] 将西原体中牛顿黏壶替换成常系数Abel黏壶,建立了新的分数阶导数模型。何利军等[17 ] 利用分数阶修正了Burger模型,提出了一种描述软黏土蠕变模型。周宏伟等[18 ] 在常系数Abel黏壶的基础上,提出了一种新的变系数Abel黏壶,并构建了基于分数阶导数的岩盐蠕变模型。吴斐等[19 ] 提出了一种分数阶非线性黏壶元件,从而建立了新的分数阶非线性蠕变本构方程。丁靖洋等[20 ] 在经典三元件模型基础上,构建了基于损伤演化的分数阶三元件模型。Wu等[21 ] 基于分数阶导数理论,建立了盐岩的分数阶黏弹塑性蠕变本模型,根据室内试验结果验证了该模型的合理性。
本文以地下开采过程中,留设的矿柱受到地下水的侵蚀,从而造成矿柱失稳,为矿山带来损失为工程背景展开研究,对石膏岩进行了酸腐蚀条件下单轴蠕变试验,扫描电镜试验。分析了酸腐蚀条件下石膏岩的蠕变特性,化学腐蚀对试样力学性能的影响,通过引入分数阶微积分理论建立了考虑酸腐蚀的蠕变本构模型。结果表明所建立的模型能够较好地描述酸腐蚀条件下石膏岩蠕变的三个阶段,尤其是加速蠕变阶段。
1 试验方案
1.1 试样制取
本试验试样取自湖南常德临澧县石膏矿矿区,对一整块原岩钻芯取样,以减小试样的离散性,打磨加工成表面光滑的50 mm,$\times$,100 mm标准试样,对加工好的岩样进行编号,并测定其基本的物理参数如表1 所示,蠕变试验准备如图1 所示。
图1
图1
蠕变试验准备
Fig.1
Preparation for creep test
1.2 试验步骤
首先对编号为UCS-1~3的三个试样进行单轴压缩试验,获得试样的单轴抗压强度为64.00 MPa,从而确定单轴蠕变试验分级加载的载荷;分别配置pH=7的水溶液,pH=6和pH=5的盐酸溶液,然后以分级加载的方式开始对编号为UCT-1,~,3的3个试样进行不同pH盐酸溶液浸泡条件下单轴压缩蠕变试验,对UCT-4的试样进行干燥条件下单轴蠕变试验,分别以试样单轴抗压强度的60%,70%,80%为第一、第二、第三个应力等级进行分级加载,每个应力等级加载48 h;对试验前后的试样进行电镜扫描试验,观察岩样的微观变化。
2 试验结果分析
2.1 单轴压缩蠕变试验
本次力学试验采用RYL-600岩石剪切流变仪(图2 ),该设备最大轴向试验力为600 kN,试验力测量误差一般小于$\pm$0.5%。对试样进行单轴压缩试验,然后自制容器,对试样进行酸腐蚀浸泡单轴蠕变试验。
图2
图2
岩石蠕变实验及其示意图
Fig.2
Creep experiment of rock and its schematic diagram
不同pH酸腐蚀条件下石膏岩的单轴压缩蠕变曲线及试验破坏形态如图3 所示。由图可以看出,干燥状态下的石膏岩蠕变曲线在所有曲线的下方,而且加载的三个应力等级都只有衰减蠕变和稳定蠕变阶段;在相同载荷下,处于干燥状态下的试样瞬时蠕变最小,且随着pH的减小,试样的瞬时应变增大,蠕变时间减小,表明酸腐蚀对试样的蠕变特性有很大的影响。
图3
图3
不同pH状态下试样的蠕变试验曲线及破坏形态
Fig.3
Creep test curves and failure modes of samples under different pH conditions
在第一级载荷下,pH=5的试样在12.6 h时,蠕变应变达到1.24%,进入加速蠕变阶段,随后试样破坏;而pH=6,pH=7和干燥状态下的试样,蠕变应变分别为1.19%,1.17%,1.13%,蠕变应变随酸性减小而减小,仅出现了衰减蠕变阶段和稳态蠕变阶段。在第二级载荷下,pH=6的试样在加载总时间为74.7 h时,蠕变应变达到1.33%,进入加速蠕变阶段;pH=7的试样在加载总时间为94.3 h时,蠕变应变达到1.31%,进入加速蠕变阶段;干燥状态下试样仍仅出现了衰减和稳态蠕变阶段;pH=6的试样进入加速蠕变阶段时的蠕变量大于pH=7的试样,其蠕变时间则小于pH=7的试样。在第三级载荷下,干燥状态下的试样仍未出现加速蠕变阶段。
蠕变试验后的试样破坏形态如图3 ,干燥状态下,试样未发生破坏;水、酸腐蚀条件下,试样破坏形式主要为劈裂和剪切破坏,且试样端部出现了损伤,pH=5状态下的试样端部损伤破坏尤为明显。表明酸腐蚀对岩石的破坏有较大影响,与采矿工程中矿柱受地下水侵蚀而变尖不谋而合。
2.2 扫描电镜试验
采用SU3500扫描电镜对酸腐蚀前后的试样进行电镜扫描试验。该设备(图4 )画质高、灵活性好,能满足试验需求。
图4
图4
SU3500扫描电镜扫描电镜
Fig.4
SU3500 scanning electron microscopy
试验结果如图5 所示。由图可以发现,干燥状态下的石膏岩结构较为致密完整,而对于加了不同pH酸的试样,则产生了不同程度的孔隙,尤其是处于pH=5状态下的试样,产生了较大尺寸的孔隙,结构疏松,石膏岩主要成分是CaSO$_{4}$$\cdot$2H$_{2}$O,并含有CaCO$_{3}$,SiO$_{2}$,CaO,Al$_{2}$O$_{3}$,Fe$_{2}$O$_{3}$,MgO等矿物,由于石膏岩的部分成分溶于水或与盐酸发生了化学反应,破坏了试样的完整性,降低了岩样的力学性能,水和酸对石膏岩样的结构、力学性能有着不可忽视的影响。
图5
图5
扫描电镜试验结果
Fig.5
SEM scanning test results
3 考虑酸腐蚀条件下的分数阶蠕变本构模型
3.1 考虑酸腐蚀条件下的分数阶导数流变元件
(1) 常系数Abel黏壶:常系数Abel黏壶本构方程[18 ,22 ] 为
(1) $\sigma(t)=\eta^{\gamma} \frac{\mathrm{d}^{\gamma}[\varepsilon(t)]}{\mathrm{d} t^{\gamma}} \quad(0 \leqslant \gamma \leqslant 1)$
式中,$t$为时间,$\gamma $为分数阶的阶次,当$\gamma =0$时,即$\eta ^{0}=E$,该元件为代表理想固体的弹簧元件;当$\gamma =1$时,即$\eta^{1}=\eta$,该元件为代表理想流体的黏性元件,故常系数Abel可用来描述介于理想流体和理想固体之间材料的模型。
(2) 考虑酸腐蚀的变系数Abel黏壶:周宏伟等[18 ] 在常系数Abel黏壶的基础上,考虑了载荷作用时间的影响,引入了定义为负指数函数形式的损伤变量$D=1-\mathrm{e}^{-\alpha t}$来描述岩盐流变损伤演化规律。岩石处在水化学的环境中,其不仅受到加载过程中应力造成的损伤,还受到化学腐蚀的影响,导致其结构发生变化,孔隙增大,产生化学损伤,即化学腐蚀加剧了岩石的蠕变损伤[13 ,23 ] 。研究表明,当对岩石的载荷达到或者超过一定应力水平时,岩石内部才会产生损伤,并出现加速蠕变阶段[13 ,23 -24 ] 。所以本文仅对黏性系数考虑应力和化学腐蚀损伤的影响。通过对蠕变试验结果进一步分析,计算出试样加速蠕变阶段的平均应变速率,pH=5, pH=6,pH=7的试样加速蠕变阶段平均应变速率分别为2.72,$\times$,10$^{-3}$ h$^{-1}$, 1.01,$\times$,10$^{-3}$ h$^{-1}$, 4.07,$\times$,10$^{-4}$ h$^{-1}$。分析试样加速蠕变阶段平均应变速率可知,随着pH的减小,试样在加速蠕变阶段平均应变速率基本呈线性增加。表明酸的存在,影响了岩石的加速蠕变阶段,且酸性越强,效果越明显。黏性元件的本构关系[25 ] 为
(2) $ \sigma =\eta \frac{{\rm d}\varepsilon }{{\rm d}t}=\eta \varepsilon' $
式中,$\eta $为黏性系数,$\varepsilon'$为应变速率。
由式(2)可知,应力$\sigma $保持不变时,当应变速率$\varepsilon'$呈线性增加时,黏性系数$\eta$呈线性衰减。结合图6 可知酸腐蚀作用造成了黏性系数劣化衰减从而促进了岩石的加速蠕变。参考高峰等[26 ] 通过研究温度对介质黏性的影响所提出的黏性衰减系数,在周宏伟等[18 ] 提出的变系数Abel黏壶基础上,引入酸腐蚀劣化衰减系数$\beta$(0<$\beta$≤1),当$\beta=1$时,表示没有酸腐蚀作用,当0<$\beta$<1时,$\beta$越小,表示pH越小,酸性越强,对岩石的腐蚀作用越大,即黏塑性体中有
(3) $ \eta^{\gamma }( t,D)=\beta \eta^{\gamma }(1-D_{\rm s} ) $
图6
图6
考虑酸腐蚀的变系数黏壶描述的非稳定蠕变
Fig.6
Unsteady creep described by variable coefficient dashpot considering acid corrosion
(4) $D _{\rm s} =1-{\rm e}^{-\alpha t }$
式中,$D_{\rm s}$为应力损伤变量,$\alpha $为与岩石性质相关的系数,$\beta $为酸腐蚀劣化系数,与化学腐蚀相关。
由式(1)、式(3)和式(4)得到考虑酸腐蚀的变系数黏壶本构关系为
(5) $\sigma(t)=\left(\beta \eta^{\gamma} \mathrm{e}^{-\alpha t}\right) \frac{\mathrm{d}^{\gamma}[\varepsilon(t)]}{\mathrm{d} t^{\gamma}} \quad(0 \leqslant \gamma \leqslant 1)$
式中$\beta \eta^{\gamma }{\rm e}^{-\alpha t}$为随时间演化的黏性系数。
式(5)中$\sigma (t)$保持不变时,由R-L分数阶微积分算子理论可得
(6) $ \varepsilon ( t )=\frac{\sigma }{\beta \eta^{\gamma }} t ^{\gamma }\sum\limits_{k=0}^\infty {\frac{(\alpha t )^{k}}{\varGamma (k+1+\gamma )}} (0\leqslant \gamma \leqslant 1) $
即式(6)为考虑酸腐蚀的变系数黏壶描述的流变。将$\sigma =38.4$ MPa,$\eta^{\gamma }=8$ GPa$\cdot$h,$\alpha =0.02$ h$^{-1}$,$\beta=1$,代入式(6)中,可得阶数$\gamma$不同时的流变曲线,如图6 (a);将$\gamma=0.8$代入式(6)中,其他参数不变,可得酸腐蚀劣化系数$\beta$不同时的一组流变曲线,如图6 (b);将$\beta =0.8$,$\gamma =0.6$代入式(6)中,其他参数不变,可得到岩石相关系数$\alpha$不同时的一组流变曲线,如图6 (c),由此可见,考虑酸腐蚀的变系数黏壶元件能够较好地反应化学腐蚀影响下的加速流变过程。
3.2 考虑酸腐蚀条件下的分数阶蠕变本构模型建立与求解
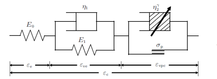
岩石的蠕变过程一般分为瞬态蠕变、稳态蠕变和加速蠕变三个阶段,传统的西原模型元件少、能够全面地反映岩石的弹-黏弹-黏塑性特性[25 ] ,但是不能反映岩石的加速蠕变阶段。为了能够精确地描述酸腐蚀条件下岩石的三个蠕变阶段,本文采用考虑酸腐蚀的分数阶变系数黏壶代替西原模型中黏塑性体的牛顿黏壶,从而建立考虑酸腐蚀的分数阶蠕变本构模型(图7 )。
图7
图7
考虑酸腐蚀的分数阶蠕变本构模型示意图
Fig.7
Schematic diagram of fractional creep constitutive model considering acid corrosion
图7 中,$\varepsilon_{\rm e}$为胡克体的应变,$\varepsilon_{\rm ve}$为黏弹性体的应变,$\varepsilon_{\rm vpc}$为考虑酸腐蚀的黏塑性体的应变,则总应变为
(7) $\varepsilon_{\rm c} =\varepsilon_{\rm e} +\varepsilon_{\rm ve} +\varepsilon_{\rm vpc}$
(8) $\varepsilon_{\rm e} =\frac{\sigma }{{E}_{0} }$
(9) $\left.\begin{array}{l}\varepsilon_{\mathrm{ve}}=\varepsilon_{\mathrm{h}}=\varepsilon_{\mathrm{ba}} \\\sigma=E_{1} \varepsilon_{\mathrm{ve}}+\beta \eta_{1} \frac{\mathrm{d}\left(\varepsilon_{\mathrm{ve}}\right)}{\mathrm{d} t}\end{array}\right\}$
式中,$\varepsilon_{\rm h}$为黏弹性体中弹簧应变,$\varepsilon_{\rm ba}$为牛顿黏壶的应变,$E_{1}$为黏弹性体中弹簧的弹性模量,$\eta_{1}$为牛顿黏性系数。
(10) $\varepsilon_{\rm ve} =\frac{\sigma }{{E}_{1} }\left( {1-{\rm e}^{-\dfrac{{E}_{1} }{\eta_{1} } t }} \right)$
(3)考虑酸腐蚀的黏塑性体,摩擦片的应力$\sigma_{\rm p}$可表示为
(11) $\sigma_{\mathrm{p}}=\left\{\begin{array}{ll}\sigma, & \sigma<\sigma_{\mathrm{s}} \\\sigma_{\mathrm{s}}, & \sigma \geqslant \sigma_{\mathrm{s}}\end{array}\right.$
式中,$\sigma_{\rm s}$为屈服应力。
(12) $\sigma =\sigma_{\rm p} +\sigma_{\rm d}$
式中$\sigma_{\rm d}$为考虑酸腐蚀的Abel黏壶中的应力,$\sigma$为黏塑性体总应力。
当$\sigma <\sigma_{\rm s}$时,由式(11)和式(12)可得$\sigma_{\rm d}=0$,即
(13) $\varepsilon_{\rm vpc} =0$
当$\sigma \geqslant \sigma_{\rm s}$时,由式(11)及考虑酸腐蚀的变系数Abel黏壶本构关系得
(14) $\sigma = {\beta \eta_{2}^{\gamma } {\rm e}^{-\alpha t }} \frac{{\rm d}^{\gamma }\left( {\varepsilon_{\rm vpc} } \right)}{{\rm d} t ^{\gamma }}+\sigma_{\rm s}$
(15) $\frac{\mathrm{d}^{\gamma}\left[\varepsilon_{\mathrm{vpc}}(t)\right]}{\mathrm{d} t^{\gamma}}=\frac{\sigma-\sigma_{\mathrm{s}}}{\beta \eta_{2}^{\gamma}} \mathrm{e}^{\alpha t}$
根据分数阶微积分理论,初始条件$\varepsilon _{\rm vpc}=0$,可知R-L分数阶导数与Caputo分数阶导数有
(16) $\frac{\mathrm{d}^{\gamma}[y(t)]}{\mathrm{d} t^{\gamma}}=\frac{C^{\gamma} \mathrm{d}^{\gamma}[y(t)]}{\mathrm{d} t^{\gamma}}$
(17) $\frac{C_{\mathrm{d}}^{\gamma}[y(t)]}{\mathrm{d} t \gamma}=\frac{\sigma-\sigma_{\mathrm{s}}}{\beta \eta_{2}^{\gamma}} \mathrm{e}^{\alpha t}$
通过对式(17)进行Laplace变换,再进行Laplace逆变换可得
(18) $\varepsilon_{\rm vpc} =\frac{\sigma -\sigma_{\rm s} }{\beta \eta_{2}^{\gamma } } t ^{\gamma }\sum\limits_{k=0}^\infty {\frac{\left( {\alpha t} \right)^{k}}{\varGamma \left( {k+1+\gamma } \right)}}$
(19) $\varepsilon_{\mathrm{vpc}}=\left\{\begin{array}{ll}0, & \sigma<\sigma_{\mathrm{s}} \\\frac{\sigma-\sigma_{\mathrm{s}}}{\beta \eta_{2}^{\gamma}} t^{\gamma} \sum_{k=0}^{\infty} \frac{(\alpha t)^{k}}{\Gamma(k+1+\gamma)}, & \sigma \geqslant \sigma_{\mathrm{s}}\end{array}\right.$
结合三部分应变,可得考虑酸腐蚀条件下的分数阶蠕变本构模型为
(20) $\varepsilon(t)=\left\{\begin{array}{l}\frac{\sigma}{E_{0}}+\frac{\sigma}{E_{1}}\left(1-\mathrm{e}^{-\frac{E_{1}}{\eta_{1}} t}\right), \sigma<\sigma_{\mathrm{s}} \\\frac{\sigma}{E_{0}}+\frac{\sigma}{E_{1}}\left(1-\mathrm{e}^{-\frac{E_{1}}{\eta_{1}} t}\right)+ \\\frac{\sigma-\sigma_{\mathrm{s}}}{\beta \eta_{2}^{\gamma}} t^{\gamma} \sum_{k=0}^{\infty} \frac{(\alpha t)^{k}}{\Gamma(k+1+\gamma)}, \sigma \geqslant \sigma_{\mathrm{s}}\end{array}\right.$
3.3 考虑酸腐蚀条件下的分数阶蠕变本构模型参数拟合
(21) ${E}_{\alpha,\beta } (z)=\sum\limits_{k=0}^\infty {\frac{z^{k}}{\varGamma (\alpha k+\beta )}}\ \ (\alpha >0,\beta >0)$
即当$\sigma \geqslant \sigma_{\rm s}$时,式(20)可表示为
(22) $\begin{aligned}\varepsilon(t) &=\frac{\sigma}{E_{0}}+\frac{\sigma}{E_{1}}\left(1-\mathrm{e}^{-\frac{E_{1}}{\eta_{1}} t}\right)+\\& \frac{\sigma-\sigma_{\mathrm{s}}}{\beta \eta_{2}^{\gamma}} t^{\gamma} E_{1,1+\gamma}(\alpha t)\end{aligned}$
结合酸腐蚀条件下的石膏岩单轴压缩蠕变试验,对考虑酸腐蚀条件下的分数阶蠕变模型式(22)进行参数拟合,获得相关参数,具体拟合参数如表2 所示,拟合曲线如图8 所示,图中$\sigma$为试样发生破坏时所受作用力的大小。由图8 可发现,西原模型能够很好地反映石膏岩的减速和稳态蠕变阶段,但是对加速蠕变阶段却无能为力;而对于考虑酸腐蚀分数阶模型,虽然试验曲线与拟合曲线存在些许的误差,但是整体拟合效果理想,这表明本文建立的考虑酸腐蚀条件下的分数阶蠕变模型能够很好地对酸腐蚀条件下石膏岩单轴蠕变特性进行描述,能很好地反映石膏岩的三个蠕变阶段,尤其是加速蠕变阶段。
图8
图8
蠕变模型拟合曲线
Fig.8
Creep model fitting curves
3.4 参数敏感性分析
关于分数阶蠕变本构模型中应力水平$\sigma $的影响,分数阶导数$\gamma $的影响,以及岩性系数$\alpha$的影响,Zhou等[16 ] 和周宏伟等[18 ] 已进行过深入分析,故本文不再赘述。本文仅对引入的酸腐蚀劣化衰减系数$\beta$进行分析,参照试验结果以及表2 的拟合参数结果,将表2 中pH=6的参数代入式(22),在保持其他参数不变的情况下,改变参数$\beta$的值,得到一组不同$\beta $条件下的蠕变曲线,如图9 所示。可见,随着$\beta$的减小,应变逐渐增大,减速蠕变阶段、稳定蠕变阶段、加速蠕变阶段的时间均缩短,表明$\beta$主要影响蠕变应变以及蠕变三个阶段的时间长短。
图9
图9
不同$\beta $下的蠕变曲线
Fig.9
Creep curves under different $\beta $}
4 结论
本文通过对酸腐蚀条件下石膏岩进行研究,主要得到以下结论。
(1) 通过对石膏岩进行酸腐蚀条件下的单轴压缩蠕变试验和电镜扫描试验,结果表明,水和酸腐蚀对岩石蠕变均有较大影响,酸性越强,试样蠕变速率越快;试样的破坏形式主要为劈裂和剪切破坏,并且端部有损伤破坏情况,且酸性越强,端部损伤破坏得越明显。微观上,干燥状态下的试样结构紧密,整体较为均质;而水和酸腐蚀后的试样表面孔隙明显增多,并出现大尺寸的孔隙,结构疏松,且酸性越强,越明显。表明水和酸对岩石的侵蚀,破坏了其完整性,从而降低了岩石的宏观力学性能。
(2) 通过引入酸腐蚀劣化衰减系数,对变系数Abel黏壶进行改进,提出了一个考虑酸腐蚀的变系数Abel黏壶元件,对西原体模型进行改造,用考虑酸腐蚀的变系数Abel黏壶元件代替西元体中黏塑性体部分的牛顿黏壶,建立了一个考虑酸腐蚀条件下的分数阶蠕变本构模型。通过与试验数据进行拟合,结果表明,建立的考虑酸腐蚀条件下的分数阶蠕变模型能够很好地对酸腐蚀条件下石膏岩单轴蠕变特性进行描述,能很好地反应石膏岩的三个蠕变阶段,尤其是加速蠕变阶段。
(3) 对参数$\beta $进行了敏感性分析,发现随着$\beta$的减小,应变逐渐增大,减速蠕变阶段、稳定蠕变阶段、加速蠕变阶段的时间均缩短。表明$\beta$主要影响蠕变应变以及蠕变三个阶段的时间长短,这与酸腐蚀条件下应变增加,蠕变速度加快的试验结果相符。
参考文献
View Option
[1]
谢和平 . 深部岩体力学与开采理论研究进展
煤炭学报 , 2019 , 44 (5 ):1283 -1305
[本文引用: 1]
Xie Heping . Research review of the state key research development program of China: deep rock mechanics and mining theory
Journal of China Coal Society , 2019 , 44 (5 ):1283 -1305 (in Chinese)
[本文引用: 1]
[2]
冯晓伟 , 王伟 , 王如宾 等 . 考虑水化学损伤的砂岩流变损伤本构模型
岩土力学 , 2018 , 39 (9 ):3340 -3346, 3354
[本文引用: 1]
Feng Xiaowei , Wang Wei , Wang Rubin , et al . A rheological damage model of sandstone under water-rock chemical interaction
Rock and Soil Mechanics , 2018 , 39 (9 ):3340 -3346, 3354 (in Chinese)
[本文引用: 1]
[3]
周训 , 张华 , 赵亮 等 . 浅析广西北海市偏酸性地下水的形成原因
地质学报 , 2007 (6 ):850 -856
[本文引用: 1]
Zhou Xun , Zhang Hua , Zhao Liang , et al . A preliminary analysis of the formation of the weak acidic groundwater in Beihai, Guangxi
Acta Geologica Sinica , 2007 (6 ):850 -856 (in Chinese)
[本文引用: 1]
[4]
Zhao ZH , Guo TC , Ning ZY , et al . Numerical modeling of stability of fractured reservoir bank slopes subjected to water-rock interactions
Rock Mechanics and Rock Engineering , 2018 , 51 (8 ):2517 -2531
DOI
URL
[本文引用: 2]
[5]
Miao SJ , Cai MF , Guo QF , et al . Damage effects and mechanisms in granite treated with acidic chemical solutions
International Journal of Rock Mechanics and Mining Sciences , 2016 , 88 :77 -86
DOI
URL
[本文引用: 1]
[6]
Qiao LP , Wang ZC , Huang AD . Alteration of mesoscopic properties and mechanical behavior of sandstone due to hydro-physical and hydro-chemical effects
Rock Mechanics and Rock Engineering , 2017 , 50 (2 ):255 -267
DOI
URL
[本文引用: 1]
[7]
Xie SL , Wan W . Mechanical damage to the diorite caused by acid corrosion
Geotechnical and Geological Engineering , 2020 , 38 :3087 -3094
DOI
URL
[本文引用: 1]
[8]
Okubo S , Fukui K , Hashiba K . Long-term creep of water-saturated tuff under uniaxial compression
International Journal of Rock Mechanics and Mining Sciences , 2010 , 47 (5 ):839 -844
[本文引用: 1]
[9]
Brzesowsky RH , Hangx SJT , Brantut N , et al . Compaction creep of sands due to time-dependent grain failure: Effects of chemical environment, applied stress, and grain size
Journal of Geophysical Research Solid Earth , 2015 , 119 (10 ):7521 -7541
DOI
URL
[本文引用: 1]
[10]
丁梧秀 , 冯夏庭 . 化学腐蚀下裂隙岩石的损伤效应及断裂准则研究
岩土工程学报 , 2009 , 31 (6 ):899 -904
[本文引用: 1]
Ding Wuxiu , Feng Xiating . Damage effect and fracture criterion of rock with multi-preexisting cracks under chemical erosion
Chinese Journal of Geotechnical Engineering , 2009 , 31 (6 ):899 -904 (in Chinese)
[本文引用: 1]
[11]
刘永胜 . 化学腐蚀作用下深部巷道围岩的细观力学性能研究
岩土工程学报 , 2013 , 35 (S1 ):350 -353
[本文引用: 1]
Liu Yongsheng . Micromechanical properties of surrounding rock in deep roadways under chemical corrosion
Chinese Journal of Geotechnical Engineering , 2013 , 35 (S1 ):350 -353 (in Chinese)
[本文引用: 1]
[12]
张站群 , 蔚立元 , 李光雷 等 . 化学腐蚀后灰岩动态拉伸力学特性试验研究
岩土工程学报 , 2020 , 42 (6 ):1151 -1158
[本文引用: 1]
Zhang Zhanqun , Yu Liyuan , Li Guanglei , et al . Experimental research on dynamic tensile mechanics of limestone after chemical corrosion
Chinese Journal of Geotechnical Engineering , 2020 , 42 (6 ):1151 -1158 (in Chinese)
[本文引用: 1]
[13]
王艳春 , 王永岩 , 李剑光 等 . 基于化学酸碱度表征的页岩蠕变模型
煤炭学报 , 2019 , 44 (S2 ):509 -516
[本文引用: 3]
Wang Yanchun , Wang Yongyan , Li Jianguang , et al . Shale creep equation based on chemical pH value characterization
Journal of China Coal Society , 2019 , 44 (S2 ):509 -516 (in Chinese)
[本文引用: 3]
[14]
姜立春 , 温勇 . AMD蚀化下砂岩的损伤本构模型
中南大学学报(自然科学版) , 2011 , 42 (11 ):3502 -3506
[本文引用: 2]
Jiang Lichun , Wen Yong . Damage constitutive model of sandstone during corrosion by AMD
Journal of Central South University (Natural Science edition) , 2011 , 42 (11 ):3502 -3506 (in Chinese)
[本文引用: 2]
[15]
殷德顺 , 任俊娟 , 和成亮 等 . 一种新的岩土流变模型元件
岩石力学与工程学报 , 2007 , 26 (9 ):1899 -1903
[本文引用: 1]
Yin Deshun , Ren Junjuan , He Chengliang , et al . A new rheological model element for geomaterials
Chinese Journal of Rock Mechanics and Engineering , 2007 , 26 (9 ):1899 -1903 (in Chinese)
[本文引用: 1]
[16]
Zhou HW , Wang CP , Han BB , et al . A creep constitutive model for salt rock based on fractional derivatives
International Journal of Rock Mechanics and Mining Sciences , 2011 , 48 (1 ):116 -121
[本文引用: 2]
[17]
何利军 , 孔令伟 , 吴文军 等 . 采用分数阶导数描述软黏土蠕变的模型
岩土力学 , 2011 , 32 (S2 ):239 -243, 249
[本文引用: 1]
He Lijun , Kong Lingwei , Wu Wenjun , et al . A description of creep model for soft soil with fractional derivative
Rock and Soil Mechanics , 2011 , 32 (S2 ):239 -243, 249 (in Chinese)
[本文引用: 1]
[18]
周宏伟 , 王春萍 , 段志强 等 . 基于分数阶导数的盐岩流变本构模型
中国科学: 物理学力学天文学 , 2012 , 42 (3 ):310 -318
[本文引用: 5]
Zhou Hongwei , Wang Chunping , Duan Zhiqiang , et al . Time-based fractional derivative approach to creep constitutive model of salt rock. Scientia Sinica Physica ,
Mechanica and Astronomica , 2012 , 42 (3 ):310 -318 (in Chinese)
[本文引用: 5]
[19]
吴斐 , 刘建锋 , 武志德 等 . 盐岩的分数阶非线性蠕变本构模型
岩土力学 , 2014 , 35 (S2 ):162 -167
[本文引用: 1]
Wu Fei , Liu Jianfeng , Wu Zhide , et al . Fractional nonlinear creep constitutive model of salt rock
Rock and Soil Mechanics , 2014 , 35 (S2 ):162 -167 (in Chinese)
[本文引用: 1]
[20]
丁靖洋 , 周宏伟 , 刘迪 等 . 盐岩分数阶三元件本构模型研究
岩石力学与工程学报 , 2014 , 33 (4 ):672 -678
[本文引用: 1]
Ding Jingyang , Zhou Hongwei , Liu Di , et al . Research on fractional derivative three elements model of salt rock
Chinese Journal of Rock Mechanics and Engineering , 2014 , 33 (4 ):672 -678 (in Chinese)
[本文引用: 1]
[21]
Wu F , Zhang H , Zou QL , et al . Viscoelastic-plastic damage creep model for salt rock based on fractional derivative theory
Mechanics of Materials , 2020 , 150 :103600
DOI
URL
[本文引用: 1]
[22]
Kiryakova V , Al-Sauabi B . Explicit solutions to hyper-Bessel integral equations of second kind
Computers & Mathematics with Applications , 1999 , 37 :75 -86
[本文引用: 1]
[23]
Qu DX , Li DK , Li XP , et al . Damage evolution mechanism and constitutive model of freeze- thaw yellow sandstone in acidic environment
Cold Regions Science and Technology , 2018 , 155 :174 -183
DOI
URL
[本文引用: 2]
[24]
王春萍 , 陈亮 , 梁家玮 等 . 考虑温度影响的花岗岩蠕变全过程本构模型研究
岩土力学 , 2014 , 35 (9 ):2493 -2500, 2506
[本文引用: 1]
Wang Chunping , Chen Liang , Liang Jiawei , et al . Creep constitutive model for full creep process of granite considering thermal effect
Rock and Soil Mechanics , 2014 , 35 (9 ):2493 -2500, 2506 (in Chinese)
[本文引用: 1]
[25]
蔡美峰 , 何满潮 , 刘东燕 . 岩石力学与工程 . 北京 : 科学出版社 , 2002
[本文引用: 2]
Cai Meifeng , He Manchao , Liu Dongyan . Rock Mechanics and Engineering . Beijing : Science Press , 2002 (in Chinese)
[本文引用: 2]
[26]
高峰 , 徐小丽 , 杨效军 等 . 岩石热黏弹塑性模型研究
岩石力学与工程学报 , 2009 , 28 (1 ):74 -80
[本文引用: 1]
Gao Feng , Xu Xiaoli , Yang Xiaojun , et al . Research on thermo-visco-elastoplastic model of rock
Chinese Journal of Rock Mechanics and Engineering , 2009 , 28 (1 ):74 -80 (in Chinese)
[本文引用: 1]
深部岩体力学与开采理论研究进展
1
2019
... 随着浅部资源逐渐衰竭,资源开采逐步走向深部,而深部资源赋存地质条件复杂,地应力、地下水、地温、岩体破裂程度等都影响着深部开采[1 ] .一直以来,地下水对深部岩体工程的稳定性都有重要影响,一方面地下水能通过改变岩体介质中的孔隙水压力来影响岩石的强度和变形;另一方面,地下水对岩体产生软化、泥化、冲刷等作用;对于一些酸性地下水,对岩体有溶解作用、水解作用、且还能与岩体部分成分发生化学反应[2 ] .在深部采矿过程中,含氧水与围岩相互作用致使地下水呈酸性;在天然环境下,经过长期水环境演化,也使地下水呈酸性[3 ] .目前,众多国内外学者对岩石开展了水、酸环境状态下的相关试验,对化学腐蚀岩石机制进行了相关研究,建立了相关的模型[4 -14 ] .Zhao等[4 ] 研究了水-岩力学作用和物理化学组合作用在库岸边坡变形中的作用,结果表明,水-岩相互作用引起的节理剪切刚度和强度的退化对库岸边坡的稳定性起着关键作用.Miao等[5 ] 对在不同pH值和流速条件下的花岗岩进行了单轴、三轴、劈裂试验,比较分析了花岗岩的强度损失和变形特性.用扫描电镜和电子能谱分析了酸性化学腐蚀对花岗岩微观结构、缺陷形态和矿物元素的影响.Qiao等[6 ] 的研究结果表明,水对岩石产生复杂的物理和化学影响,岩石的水物理效应包括矿物颗粒或水泥之间界面的润滑和软化以及矿物成分的冲刷、分散和运输.水化学效应包括不稳定矿物颗粒表面与水溶液之间的化学反应.Xie等[7 ] 对酸化处理后的闪长岩进行了研究,结果表明,酸化后的闪长岩力学性能大大降低.Okubo等[8 ] 分别对干燥和饱水状态下的凝灰岩和安山岩进行了单轴压缩蠕变试验,结果表明饱水状态试样的蠕变应变大于干燥试样,而蠕变破坏的强度小于干燥试样.Brzesowsky等[9 ] 研究了水化学与应力耦合对砂岩的蠕变影响规律.丁梧秀等[10 ] 研究了裂隙岩石在化学腐蚀下的损伤效应,并建立了断裂准则.刘永胜[11 ] 对岩石进行了化学腐蚀处理,开展了细观试验,研究了化学腐蚀后巷道围岩的细观力学性能.张站群等[12 ] 对灰岩进行了化学腐蚀处理,然后用霍普金森杆对被腐蚀后的灰岩进行了动态拉伸试验,探究了被腐蚀后灰岩的动态力学特性.王艳春等[13 ] 对进行了不同化学pH值浸泡处理的页岩开展了三轴蠕变试验,并建立了蠕变本构模型,得到了不同酸碱性对页岩蠕变参数影响的趋势.姜立春等[14 ] 开展了酸性矿山排泄水(acid mine drainage,AMD)溶液蚀化下的砂岩单轴压缩试验,建立了AMD蚀化下砂岩的损伤本构模型,结果表明模型能较好地反映AMD蚀化下砂岩损伤演化规律.不过这些研究大都是先对试样水化或者酸化处理,再进行力学试验.在实际深部地下工程中,地下水对岩石的侵蚀与应力对岩石的作用是同时存在的,目前水、酸腐蚀岩石与岩石力学试验同时进行相关试验研究比较缺乏. ...
深部岩体力学与开采理论研究进展
1
2019
... 随着浅部资源逐渐衰竭,资源开采逐步走向深部,而深部资源赋存地质条件复杂,地应力、地下水、地温、岩体破裂程度等都影响着深部开采[1 ] .一直以来,地下水对深部岩体工程的稳定性都有重要影响,一方面地下水能通过改变岩体介质中的孔隙水压力来影响岩石的强度和变形;另一方面,地下水对岩体产生软化、泥化、冲刷等作用;对于一些酸性地下水,对岩体有溶解作用、水解作用、且还能与岩体部分成分发生化学反应[2 ] .在深部采矿过程中,含氧水与围岩相互作用致使地下水呈酸性;在天然环境下,经过长期水环境演化,也使地下水呈酸性[3 ] .目前,众多国内外学者对岩石开展了水、酸环境状态下的相关试验,对化学腐蚀岩石机制进行了相关研究,建立了相关的模型[4 -14 ] .Zhao等[4 ] 研究了水-岩力学作用和物理化学组合作用在库岸边坡变形中的作用,结果表明,水-岩相互作用引起的节理剪切刚度和强度的退化对库岸边坡的稳定性起着关键作用.Miao等[5 ] 对在不同pH值和流速条件下的花岗岩进行了单轴、三轴、劈裂试验,比较分析了花岗岩的强度损失和变形特性.用扫描电镜和电子能谱分析了酸性化学腐蚀对花岗岩微观结构、缺陷形态和矿物元素的影响.Qiao等[6 ] 的研究结果表明,水对岩石产生复杂的物理和化学影响,岩石的水物理效应包括矿物颗粒或水泥之间界面的润滑和软化以及矿物成分的冲刷、分散和运输.水化学效应包括不稳定矿物颗粒表面与水溶液之间的化学反应.Xie等[7 ] 对酸化处理后的闪长岩进行了研究,结果表明,酸化后的闪长岩力学性能大大降低.Okubo等[8 ] 分别对干燥和饱水状态下的凝灰岩和安山岩进行了单轴压缩蠕变试验,结果表明饱水状态试样的蠕变应变大于干燥试样,而蠕变破坏的强度小于干燥试样.Brzesowsky等[9 ] 研究了水化学与应力耦合对砂岩的蠕变影响规律.丁梧秀等[10 ] 研究了裂隙岩石在化学腐蚀下的损伤效应,并建立了断裂准则.刘永胜[11 ] 对岩石进行了化学腐蚀处理,开展了细观试验,研究了化学腐蚀后巷道围岩的细观力学性能.张站群等[12 ] 对灰岩进行了化学腐蚀处理,然后用霍普金森杆对被腐蚀后的灰岩进行了动态拉伸试验,探究了被腐蚀后灰岩的动态力学特性.王艳春等[13 ] 对进行了不同化学pH值浸泡处理的页岩开展了三轴蠕变试验,并建立了蠕变本构模型,得到了不同酸碱性对页岩蠕变参数影响的趋势.姜立春等[14 ] 开展了酸性矿山排泄水(acid mine drainage,AMD)溶液蚀化下的砂岩单轴压缩试验,建立了AMD蚀化下砂岩的损伤本构模型,结果表明模型能较好地反映AMD蚀化下砂岩损伤演化规律.不过这些研究大都是先对试样水化或者酸化处理,再进行力学试验.在实际深部地下工程中,地下水对岩石的侵蚀与应力对岩石的作用是同时存在的,目前水、酸腐蚀岩石与岩石力学试验同时进行相关试验研究比较缺乏. ...
考虑水化学损伤的砂岩流变损伤本构模型
1
2018
... 随着浅部资源逐渐衰竭,资源开采逐步走向深部,而深部资源赋存地质条件复杂,地应力、地下水、地温、岩体破裂程度等都影响着深部开采[1 ] .一直以来,地下水对深部岩体工程的稳定性都有重要影响,一方面地下水能通过改变岩体介质中的孔隙水压力来影响岩石的强度和变形;另一方面,地下水对岩体产生软化、泥化、冲刷等作用;对于一些酸性地下水,对岩体有溶解作用、水解作用、且还能与岩体部分成分发生化学反应[2 ] .在深部采矿过程中,含氧水与围岩相互作用致使地下水呈酸性;在天然环境下,经过长期水环境演化,也使地下水呈酸性[3 ] .目前,众多国内外学者对岩石开展了水、酸环境状态下的相关试验,对化学腐蚀岩石机制进行了相关研究,建立了相关的模型[4 -14 ] .Zhao等[4 ] 研究了水-岩力学作用和物理化学组合作用在库岸边坡变形中的作用,结果表明,水-岩相互作用引起的节理剪切刚度和强度的退化对库岸边坡的稳定性起着关键作用.Miao等[5 ] 对在不同pH值和流速条件下的花岗岩进行了单轴、三轴、劈裂试验,比较分析了花岗岩的强度损失和变形特性.用扫描电镜和电子能谱分析了酸性化学腐蚀对花岗岩微观结构、缺陷形态和矿物元素的影响.Qiao等[6 ] 的研究结果表明,水对岩石产生复杂的物理和化学影响,岩石的水物理效应包括矿物颗粒或水泥之间界面的润滑和软化以及矿物成分的冲刷、分散和运输.水化学效应包括不稳定矿物颗粒表面与水溶液之间的化学反应.Xie等[7 ] 对酸化处理后的闪长岩进行了研究,结果表明,酸化后的闪长岩力学性能大大降低.Okubo等[8 ] 分别对干燥和饱水状态下的凝灰岩和安山岩进行了单轴压缩蠕变试验,结果表明饱水状态试样的蠕变应变大于干燥试样,而蠕变破坏的强度小于干燥试样.Brzesowsky等[9 ] 研究了水化学与应力耦合对砂岩的蠕变影响规律.丁梧秀等[10 ] 研究了裂隙岩石在化学腐蚀下的损伤效应,并建立了断裂准则.刘永胜[11 ] 对岩石进行了化学腐蚀处理,开展了细观试验,研究了化学腐蚀后巷道围岩的细观力学性能.张站群等[12 ] 对灰岩进行了化学腐蚀处理,然后用霍普金森杆对被腐蚀后的灰岩进行了动态拉伸试验,探究了被腐蚀后灰岩的动态力学特性.王艳春等[13 ] 对进行了不同化学pH值浸泡处理的页岩开展了三轴蠕变试验,并建立了蠕变本构模型,得到了不同酸碱性对页岩蠕变参数影响的趋势.姜立春等[14 ] 开展了酸性矿山排泄水(acid mine drainage,AMD)溶液蚀化下的砂岩单轴压缩试验,建立了AMD蚀化下砂岩的损伤本构模型,结果表明模型能较好地反映AMD蚀化下砂岩损伤演化规律.不过这些研究大都是先对试样水化或者酸化处理,再进行力学试验.在实际深部地下工程中,地下水对岩石的侵蚀与应力对岩石的作用是同时存在的,目前水、酸腐蚀岩石与岩石力学试验同时进行相关试验研究比较缺乏. ...
考虑水化学损伤的砂岩流变损伤本构模型
1
2018
... 随着浅部资源逐渐衰竭,资源开采逐步走向深部,而深部资源赋存地质条件复杂,地应力、地下水、地温、岩体破裂程度等都影响着深部开采[1 ] .一直以来,地下水对深部岩体工程的稳定性都有重要影响,一方面地下水能通过改变岩体介质中的孔隙水压力来影响岩石的强度和变形;另一方面,地下水对岩体产生软化、泥化、冲刷等作用;对于一些酸性地下水,对岩体有溶解作用、水解作用、且还能与岩体部分成分发生化学反应[2 ] .在深部采矿过程中,含氧水与围岩相互作用致使地下水呈酸性;在天然环境下,经过长期水环境演化,也使地下水呈酸性[3 ] .目前,众多国内外学者对岩石开展了水、酸环境状态下的相关试验,对化学腐蚀岩石机制进行了相关研究,建立了相关的模型[4 -14 ] .Zhao等[4 ] 研究了水-岩力学作用和物理化学组合作用在库岸边坡变形中的作用,结果表明,水-岩相互作用引起的节理剪切刚度和强度的退化对库岸边坡的稳定性起着关键作用.Miao等[5 ] 对在不同pH值和流速条件下的花岗岩进行了单轴、三轴、劈裂试验,比较分析了花岗岩的强度损失和变形特性.用扫描电镜和电子能谱分析了酸性化学腐蚀对花岗岩微观结构、缺陷形态和矿物元素的影响.Qiao等[6 ] 的研究结果表明,水对岩石产生复杂的物理和化学影响,岩石的水物理效应包括矿物颗粒或水泥之间界面的润滑和软化以及矿物成分的冲刷、分散和运输.水化学效应包括不稳定矿物颗粒表面与水溶液之间的化学反应.Xie等[7 ] 对酸化处理后的闪长岩进行了研究,结果表明,酸化后的闪长岩力学性能大大降低.Okubo等[8 ] 分别对干燥和饱水状态下的凝灰岩和安山岩进行了单轴压缩蠕变试验,结果表明饱水状态试样的蠕变应变大于干燥试样,而蠕变破坏的强度小于干燥试样.Brzesowsky等[9 ] 研究了水化学与应力耦合对砂岩的蠕变影响规律.丁梧秀等[10 ] 研究了裂隙岩石在化学腐蚀下的损伤效应,并建立了断裂准则.刘永胜[11 ] 对岩石进行了化学腐蚀处理,开展了细观试验,研究了化学腐蚀后巷道围岩的细观力学性能.张站群等[12 ] 对灰岩进行了化学腐蚀处理,然后用霍普金森杆对被腐蚀后的灰岩进行了动态拉伸试验,探究了被腐蚀后灰岩的动态力学特性.王艳春等[13 ] 对进行了不同化学pH值浸泡处理的页岩开展了三轴蠕变试验,并建立了蠕变本构模型,得到了不同酸碱性对页岩蠕变参数影响的趋势.姜立春等[14 ] 开展了酸性矿山排泄水(acid mine drainage,AMD)溶液蚀化下的砂岩单轴压缩试验,建立了AMD蚀化下砂岩的损伤本构模型,结果表明模型能较好地反映AMD蚀化下砂岩损伤演化规律.不过这些研究大都是先对试样水化或者酸化处理,再进行力学试验.在实际深部地下工程中,地下水对岩石的侵蚀与应力对岩石的作用是同时存在的,目前水、酸腐蚀岩石与岩石力学试验同时进行相关试验研究比较缺乏. ...
浅析广西北海市偏酸性地下水的形成原因
1
2007
... 随着浅部资源逐渐衰竭,资源开采逐步走向深部,而深部资源赋存地质条件复杂,地应力、地下水、地温、岩体破裂程度等都影响着深部开采[1 ] .一直以来,地下水对深部岩体工程的稳定性都有重要影响,一方面地下水能通过改变岩体介质中的孔隙水压力来影响岩石的强度和变形;另一方面,地下水对岩体产生软化、泥化、冲刷等作用;对于一些酸性地下水,对岩体有溶解作用、水解作用、且还能与岩体部分成分发生化学反应[2 ] .在深部采矿过程中,含氧水与围岩相互作用致使地下水呈酸性;在天然环境下,经过长期水环境演化,也使地下水呈酸性[3 ] .目前,众多国内外学者对岩石开展了水、酸环境状态下的相关试验,对化学腐蚀岩石机制进行了相关研究,建立了相关的模型[4 -14 ] .Zhao等[4 ] 研究了水-岩力学作用和物理化学组合作用在库岸边坡变形中的作用,结果表明,水-岩相互作用引起的节理剪切刚度和强度的退化对库岸边坡的稳定性起着关键作用.Miao等[5 ] 对在不同pH值和流速条件下的花岗岩进行了单轴、三轴、劈裂试验,比较分析了花岗岩的强度损失和变形特性.用扫描电镜和电子能谱分析了酸性化学腐蚀对花岗岩微观结构、缺陷形态和矿物元素的影响.Qiao等[6 ] 的研究结果表明,水对岩石产生复杂的物理和化学影响,岩石的水物理效应包括矿物颗粒或水泥之间界面的润滑和软化以及矿物成分的冲刷、分散和运输.水化学效应包括不稳定矿物颗粒表面与水溶液之间的化学反应.Xie等[7 ] 对酸化处理后的闪长岩进行了研究,结果表明,酸化后的闪长岩力学性能大大降低.Okubo等[8 ] 分别对干燥和饱水状态下的凝灰岩和安山岩进行了单轴压缩蠕变试验,结果表明饱水状态试样的蠕变应变大于干燥试样,而蠕变破坏的强度小于干燥试样.Brzesowsky等[9 ] 研究了水化学与应力耦合对砂岩的蠕变影响规律.丁梧秀等[10 ] 研究了裂隙岩石在化学腐蚀下的损伤效应,并建立了断裂准则.刘永胜[11 ] 对岩石进行了化学腐蚀处理,开展了细观试验,研究了化学腐蚀后巷道围岩的细观力学性能.张站群等[12 ] 对灰岩进行了化学腐蚀处理,然后用霍普金森杆对被腐蚀后的灰岩进行了动态拉伸试验,探究了被腐蚀后灰岩的动态力学特性.王艳春等[13 ] 对进行了不同化学pH值浸泡处理的页岩开展了三轴蠕变试验,并建立了蠕变本构模型,得到了不同酸碱性对页岩蠕变参数影响的趋势.姜立春等[14 ] 开展了酸性矿山排泄水(acid mine drainage,AMD)溶液蚀化下的砂岩单轴压缩试验,建立了AMD蚀化下砂岩的损伤本构模型,结果表明模型能较好地反映AMD蚀化下砂岩损伤演化规律.不过这些研究大都是先对试样水化或者酸化处理,再进行力学试验.在实际深部地下工程中,地下水对岩石的侵蚀与应力对岩石的作用是同时存在的,目前水、酸腐蚀岩石与岩石力学试验同时进行相关试验研究比较缺乏. ...
浅析广西北海市偏酸性地下水的形成原因
1
2007
... 随着浅部资源逐渐衰竭,资源开采逐步走向深部,而深部资源赋存地质条件复杂,地应力、地下水、地温、岩体破裂程度等都影响着深部开采[1 ] .一直以来,地下水对深部岩体工程的稳定性都有重要影响,一方面地下水能通过改变岩体介质中的孔隙水压力来影响岩石的强度和变形;另一方面,地下水对岩体产生软化、泥化、冲刷等作用;对于一些酸性地下水,对岩体有溶解作用、水解作用、且还能与岩体部分成分发生化学反应[2 ] .在深部采矿过程中,含氧水与围岩相互作用致使地下水呈酸性;在天然环境下,经过长期水环境演化,也使地下水呈酸性[3 ] .目前,众多国内外学者对岩石开展了水、酸环境状态下的相关试验,对化学腐蚀岩石机制进行了相关研究,建立了相关的模型[4 -14 ] .Zhao等[4 ] 研究了水-岩力学作用和物理化学组合作用在库岸边坡变形中的作用,结果表明,水-岩相互作用引起的节理剪切刚度和强度的退化对库岸边坡的稳定性起着关键作用.Miao等[5 ] 对在不同pH值和流速条件下的花岗岩进行了单轴、三轴、劈裂试验,比较分析了花岗岩的强度损失和变形特性.用扫描电镜和电子能谱分析了酸性化学腐蚀对花岗岩微观结构、缺陷形态和矿物元素的影响.Qiao等[6 ] 的研究结果表明,水对岩石产生复杂的物理和化学影响,岩石的水物理效应包括矿物颗粒或水泥之间界面的润滑和软化以及矿物成分的冲刷、分散和运输.水化学效应包括不稳定矿物颗粒表面与水溶液之间的化学反应.Xie等[7 ] 对酸化处理后的闪长岩进行了研究,结果表明,酸化后的闪长岩力学性能大大降低.Okubo等[8 ] 分别对干燥和饱水状态下的凝灰岩和安山岩进行了单轴压缩蠕变试验,结果表明饱水状态试样的蠕变应变大于干燥试样,而蠕变破坏的强度小于干燥试样.Brzesowsky等[9 ] 研究了水化学与应力耦合对砂岩的蠕变影响规律.丁梧秀等[10 ] 研究了裂隙岩石在化学腐蚀下的损伤效应,并建立了断裂准则.刘永胜[11 ] 对岩石进行了化学腐蚀处理,开展了细观试验,研究了化学腐蚀后巷道围岩的细观力学性能.张站群等[12 ] 对灰岩进行了化学腐蚀处理,然后用霍普金森杆对被腐蚀后的灰岩进行了动态拉伸试验,探究了被腐蚀后灰岩的动态力学特性.王艳春等[13 ] 对进行了不同化学pH值浸泡处理的页岩开展了三轴蠕变试验,并建立了蠕变本构模型,得到了不同酸碱性对页岩蠕变参数影响的趋势.姜立春等[14 ] 开展了酸性矿山排泄水(acid mine drainage,AMD)溶液蚀化下的砂岩单轴压缩试验,建立了AMD蚀化下砂岩的损伤本构模型,结果表明模型能较好地反映AMD蚀化下砂岩损伤演化规律.不过这些研究大都是先对试样水化或者酸化处理,再进行力学试验.在实际深部地下工程中,地下水对岩石的侵蚀与应力对岩石的作用是同时存在的,目前水、酸腐蚀岩石与岩石力学试验同时进行相关试验研究比较缺乏. ...
Numerical modeling of stability of fractured reservoir bank slopes subjected to water-rock interactions
2
2018
... 随着浅部资源逐渐衰竭,资源开采逐步走向深部,而深部资源赋存地质条件复杂,地应力、地下水、地温、岩体破裂程度等都影响着深部开采[1 ] .一直以来,地下水对深部岩体工程的稳定性都有重要影响,一方面地下水能通过改变岩体介质中的孔隙水压力来影响岩石的强度和变形;另一方面,地下水对岩体产生软化、泥化、冲刷等作用;对于一些酸性地下水,对岩体有溶解作用、水解作用、且还能与岩体部分成分发生化学反应[2 ] .在深部采矿过程中,含氧水与围岩相互作用致使地下水呈酸性;在天然环境下,经过长期水环境演化,也使地下水呈酸性[3 ] .目前,众多国内外学者对岩石开展了水、酸环境状态下的相关试验,对化学腐蚀岩石机制进行了相关研究,建立了相关的模型[4 -14 ] .Zhao等[4 ] 研究了水-岩力学作用和物理化学组合作用在库岸边坡变形中的作用,结果表明,水-岩相互作用引起的节理剪切刚度和强度的退化对库岸边坡的稳定性起着关键作用.Miao等[5 ] 对在不同pH值和流速条件下的花岗岩进行了单轴、三轴、劈裂试验,比较分析了花岗岩的强度损失和变形特性.用扫描电镜和电子能谱分析了酸性化学腐蚀对花岗岩微观结构、缺陷形态和矿物元素的影响.Qiao等[6 ] 的研究结果表明,水对岩石产生复杂的物理和化学影响,岩石的水物理效应包括矿物颗粒或水泥之间界面的润滑和软化以及矿物成分的冲刷、分散和运输.水化学效应包括不稳定矿物颗粒表面与水溶液之间的化学反应.Xie等[7 ] 对酸化处理后的闪长岩进行了研究,结果表明,酸化后的闪长岩力学性能大大降低.Okubo等[8 ] 分别对干燥和饱水状态下的凝灰岩和安山岩进行了单轴压缩蠕变试验,结果表明饱水状态试样的蠕变应变大于干燥试样,而蠕变破坏的强度小于干燥试样.Brzesowsky等[9 ] 研究了水化学与应力耦合对砂岩的蠕变影响规律.丁梧秀等[10 ] 研究了裂隙岩石在化学腐蚀下的损伤效应,并建立了断裂准则.刘永胜[11 ] 对岩石进行了化学腐蚀处理,开展了细观试验,研究了化学腐蚀后巷道围岩的细观力学性能.张站群等[12 ] 对灰岩进行了化学腐蚀处理,然后用霍普金森杆对被腐蚀后的灰岩进行了动态拉伸试验,探究了被腐蚀后灰岩的动态力学特性.王艳春等[13 ] 对进行了不同化学pH值浸泡处理的页岩开展了三轴蠕变试验,并建立了蠕变本构模型,得到了不同酸碱性对页岩蠕变参数影响的趋势.姜立春等[14 ] 开展了酸性矿山排泄水(acid mine drainage,AMD)溶液蚀化下的砂岩单轴压缩试验,建立了AMD蚀化下砂岩的损伤本构模型,结果表明模型能较好地反映AMD蚀化下砂岩损伤演化规律.不过这些研究大都是先对试样水化或者酸化处理,再进行力学试验.在实际深部地下工程中,地下水对岩石的侵蚀与应力对岩石的作用是同时存在的,目前水、酸腐蚀岩石与岩石力学试验同时进行相关试验研究比较缺乏. ...
... [4 ]研究了水-岩力学作用和物理化学组合作用在库岸边坡变形中的作用,结果表明,水-岩相互作用引起的节理剪切刚度和强度的退化对库岸边坡的稳定性起着关键作用.Miao等[5 ] 对在不同pH值和流速条件下的花岗岩进行了单轴、三轴、劈裂试验,比较分析了花岗岩的强度损失和变形特性.用扫描电镜和电子能谱分析了酸性化学腐蚀对花岗岩微观结构、缺陷形态和矿物元素的影响.Qiao等[6 ] 的研究结果表明,水对岩石产生复杂的物理和化学影响,岩石的水物理效应包括矿物颗粒或水泥之间界面的润滑和软化以及矿物成分的冲刷、分散和运输.水化学效应包括不稳定矿物颗粒表面与水溶液之间的化学反应.Xie等[7 ] 对酸化处理后的闪长岩进行了研究,结果表明,酸化后的闪长岩力学性能大大降低.Okubo等[8 ] 分别对干燥和饱水状态下的凝灰岩和安山岩进行了单轴压缩蠕变试验,结果表明饱水状态试样的蠕变应变大于干燥试样,而蠕变破坏的强度小于干燥试样.Brzesowsky等[9 ] 研究了水化学与应力耦合对砂岩的蠕变影响规律.丁梧秀等[10 ] 研究了裂隙岩石在化学腐蚀下的损伤效应,并建立了断裂准则.刘永胜[11 ] 对岩石进行了化学腐蚀处理,开展了细观试验,研究了化学腐蚀后巷道围岩的细观力学性能.张站群等[12 ] 对灰岩进行了化学腐蚀处理,然后用霍普金森杆对被腐蚀后的灰岩进行了动态拉伸试验,探究了被腐蚀后灰岩的动态力学特性.王艳春等[13 ] 对进行了不同化学pH值浸泡处理的页岩开展了三轴蠕变试验,并建立了蠕变本构模型,得到了不同酸碱性对页岩蠕变参数影响的趋势.姜立春等[14 ] 开展了酸性矿山排泄水(acid mine drainage,AMD)溶液蚀化下的砂岩单轴压缩试验,建立了AMD蚀化下砂岩的损伤本构模型,结果表明模型能较好地反映AMD蚀化下砂岩损伤演化规律.不过这些研究大都是先对试样水化或者酸化处理,再进行力学试验.在实际深部地下工程中,地下水对岩石的侵蚀与应力对岩石的作用是同时存在的,目前水、酸腐蚀岩石与岩石力学试验同时进行相关试验研究比较缺乏. ...
Damage effects and mechanisms in granite treated with acidic chemical solutions
1
2016
... 随着浅部资源逐渐衰竭,资源开采逐步走向深部,而深部资源赋存地质条件复杂,地应力、地下水、地温、岩体破裂程度等都影响着深部开采[1 ] .一直以来,地下水对深部岩体工程的稳定性都有重要影响,一方面地下水能通过改变岩体介质中的孔隙水压力来影响岩石的强度和变形;另一方面,地下水对岩体产生软化、泥化、冲刷等作用;对于一些酸性地下水,对岩体有溶解作用、水解作用、且还能与岩体部分成分发生化学反应[2 ] .在深部采矿过程中,含氧水与围岩相互作用致使地下水呈酸性;在天然环境下,经过长期水环境演化,也使地下水呈酸性[3 ] .目前,众多国内外学者对岩石开展了水、酸环境状态下的相关试验,对化学腐蚀岩石机制进行了相关研究,建立了相关的模型[4 -14 ] .Zhao等[4 ] 研究了水-岩力学作用和物理化学组合作用在库岸边坡变形中的作用,结果表明,水-岩相互作用引起的节理剪切刚度和强度的退化对库岸边坡的稳定性起着关键作用.Miao等[5 ] 对在不同pH值和流速条件下的花岗岩进行了单轴、三轴、劈裂试验,比较分析了花岗岩的强度损失和变形特性.用扫描电镜和电子能谱分析了酸性化学腐蚀对花岗岩微观结构、缺陷形态和矿物元素的影响.Qiao等[6 ] 的研究结果表明,水对岩石产生复杂的物理和化学影响,岩石的水物理效应包括矿物颗粒或水泥之间界面的润滑和软化以及矿物成分的冲刷、分散和运输.水化学效应包括不稳定矿物颗粒表面与水溶液之间的化学反应.Xie等[7 ] 对酸化处理后的闪长岩进行了研究,结果表明,酸化后的闪长岩力学性能大大降低.Okubo等[8 ] 分别对干燥和饱水状态下的凝灰岩和安山岩进行了单轴压缩蠕变试验,结果表明饱水状态试样的蠕变应变大于干燥试样,而蠕变破坏的强度小于干燥试样.Brzesowsky等[9 ] 研究了水化学与应力耦合对砂岩的蠕变影响规律.丁梧秀等[10 ] 研究了裂隙岩石在化学腐蚀下的损伤效应,并建立了断裂准则.刘永胜[11 ] 对岩石进行了化学腐蚀处理,开展了细观试验,研究了化学腐蚀后巷道围岩的细观力学性能.张站群等[12 ] 对灰岩进行了化学腐蚀处理,然后用霍普金森杆对被腐蚀后的灰岩进行了动态拉伸试验,探究了被腐蚀后灰岩的动态力学特性.王艳春等[13 ] 对进行了不同化学pH值浸泡处理的页岩开展了三轴蠕变试验,并建立了蠕变本构模型,得到了不同酸碱性对页岩蠕变参数影响的趋势.姜立春等[14 ] 开展了酸性矿山排泄水(acid mine drainage,AMD)溶液蚀化下的砂岩单轴压缩试验,建立了AMD蚀化下砂岩的损伤本构模型,结果表明模型能较好地反映AMD蚀化下砂岩损伤演化规律.不过这些研究大都是先对试样水化或者酸化处理,再进行力学试验.在实际深部地下工程中,地下水对岩石的侵蚀与应力对岩石的作用是同时存在的,目前水、酸腐蚀岩石与岩石力学试验同时进行相关试验研究比较缺乏. ...
Alteration of mesoscopic properties and mechanical behavior of sandstone due to hydro-physical and hydro-chemical effects
1
2017
... 随着浅部资源逐渐衰竭,资源开采逐步走向深部,而深部资源赋存地质条件复杂,地应力、地下水、地温、岩体破裂程度等都影响着深部开采[1 ] .一直以来,地下水对深部岩体工程的稳定性都有重要影响,一方面地下水能通过改变岩体介质中的孔隙水压力来影响岩石的强度和变形;另一方面,地下水对岩体产生软化、泥化、冲刷等作用;对于一些酸性地下水,对岩体有溶解作用、水解作用、且还能与岩体部分成分发生化学反应[2 ] .在深部采矿过程中,含氧水与围岩相互作用致使地下水呈酸性;在天然环境下,经过长期水环境演化,也使地下水呈酸性[3 ] .目前,众多国内外学者对岩石开展了水、酸环境状态下的相关试验,对化学腐蚀岩石机制进行了相关研究,建立了相关的模型[4 -14 ] .Zhao等[4 ] 研究了水-岩力学作用和物理化学组合作用在库岸边坡变形中的作用,结果表明,水-岩相互作用引起的节理剪切刚度和强度的退化对库岸边坡的稳定性起着关键作用.Miao等[5 ] 对在不同pH值和流速条件下的花岗岩进行了单轴、三轴、劈裂试验,比较分析了花岗岩的强度损失和变形特性.用扫描电镜和电子能谱分析了酸性化学腐蚀对花岗岩微观结构、缺陷形态和矿物元素的影响.Qiao等[6 ] 的研究结果表明,水对岩石产生复杂的物理和化学影响,岩石的水物理效应包括矿物颗粒或水泥之间界面的润滑和软化以及矿物成分的冲刷、分散和运输.水化学效应包括不稳定矿物颗粒表面与水溶液之间的化学反应.Xie等[7 ] 对酸化处理后的闪长岩进行了研究,结果表明,酸化后的闪长岩力学性能大大降低.Okubo等[8 ] 分别对干燥和饱水状态下的凝灰岩和安山岩进行了单轴压缩蠕变试验,结果表明饱水状态试样的蠕变应变大于干燥试样,而蠕变破坏的强度小于干燥试样.Brzesowsky等[9 ] 研究了水化学与应力耦合对砂岩的蠕变影响规律.丁梧秀等[10 ] 研究了裂隙岩石在化学腐蚀下的损伤效应,并建立了断裂准则.刘永胜[11 ] 对岩石进行了化学腐蚀处理,开展了细观试验,研究了化学腐蚀后巷道围岩的细观力学性能.张站群等[12 ] 对灰岩进行了化学腐蚀处理,然后用霍普金森杆对被腐蚀后的灰岩进行了动态拉伸试验,探究了被腐蚀后灰岩的动态力学特性.王艳春等[13 ] 对进行了不同化学pH值浸泡处理的页岩开展了三轴蠕变试验,并建立了蠕变本构模型,得到了不同酸碱性对页岩蠕变参数影响的趋势.姜立春等[14 ] 开展了酸性矿山排泄水(acid mine drainage,AMD)溶液蚀化下的砂岩单轴压缩试验,建立了AMD蚀化下砂岩的损伤本构模型,结果表明模型能较好地反映AMD蚀化下砂岩损伤演化规律.不过这些研究大都是先对试样水化或者酸化处理,再进行力学试验.在实际深部地下工程中,地下水对岩石的侵蚀与应力对岩石的作用是同时存在的,目前水、酸腐蚀岩石与岩石力学试验同时进行相关试验研究比较缺乏. ...
Mechanical damage to the diorite caused by acid corrosion
1
2020
... 随着浅部资源逐渐衰竭,资源开采逐步走向深部,而深部资源赋存地质条件复杂,地应力、地下水、地温、岩体破裂程度等都影响着深部开采[1 ] .一直以来,地下水对深部岩体工程的稳定性都有重要影响,一方面地下水能通过改变岩体介质中的孔隙水压力来影响岩石的强度和变形;另一方面,地下水对岩体产生软化、泥化、冲刷等作用;对于一些酸性地下水,对岩体有溶解作用、水解作用、且还能与岩体部分成分发生化学反应[2 ] .在深部采矿过程中,含氧水与围岩相互作用致使地下水呈酸性;在天然环境下,经过长期水环境演化,也使地下水呈酸性[3 ] .目前,众多国内外学者对岩石开展了水、酸环境状态下的相关试验,对化学腐蚀岩石机制进行了相关研究,建立了相关的模型[4 -14 ] .Zhao等[4 ] 研究了水-岩力学作用和物理化学组合作用在库岸边坡变形中的作用,结果表明,水-岩相互作用引起的节理剪切刚度和强度的退化对库岸边坡的稳定性起着关键作用.Miao等[5 ] 对在不同pH值和流速条件下的花岗岩进行了单轴、三轴、劈裂试验,比较分析了花岗岩的强度损失和变形特性.用扫描电镜和电子能谱分析了酸性化学腐蚀对花岗岩微观结构、缺陷形态和矿物元素的影响.Qiao等[6 ] 的研究结果表明,水对岩石产生复杂的物理和化学影响,岩石的水物理效应包括矿物颗粒或水泥之间界面的润滑和软化以及矿物成分的冲刷、分散和运输.水化学效应包括不稳定矿物颗粒表面与水溶液之间的化学反应.Xie等[7 ] 对酸化处理后的闪长岩进行了研究,结果表明,酸化后的闪长岩力学性能大大降低.Okubo等[8 ] 分别对干燥和饱水状态下的凝灰岩和安山岩进行了单轴压缩蠕变试验,结果表明饱水状态试样的蠕变应变大于干燥试样,而蠕变破坏的强度小于干燥试样.Brzesowsky等[9 ] 研究了水化学与应力耦合对砂岩的蠕变影响规律.丁梧秀等[10 ] 研究了裂隙岩石在化学腐蚀下的损伤效应,并建立了断裂准则.刘永胜[11 ] 对岩石进行了化学腐蚀处理,开展了细观试验,研究了化学腐蚀后巷道围岩的细观力学性能.张站群等[12 ] 对灰岩进行了化学腐蚀处理,然后用霍普金森杆对被腐蚀后的灰岩进行了动态拉伸试验,探究了被腐蚀后灰岩的动态力学特性.王艳春等[13 ] 对进行了不同化学pH值浸泡处理的页岩开展了三轴蠕变试验,并建立了蠕变本构模型,得到了不同酸碱性对页岩蠕变参数影响的趋势.姜立春等[14 ] 开展了酸性矿山排泄水(acid mine drainage,AMD)溶液蚀化下的砂岩单轴压缩试验,建立了AMD蚀化下砂岩的损伤本构模型,结果表明模型能较好地反映AMD蚀化下砂岩损伤演化规律.不过这些研究大都是先对试样水化或者酸化处理,再进行力学试验.在实际深部地下工程中,地下水对岩石的侵蚀与应力对岩石的作用是同时存在的,目前水、酸腐蚀岩石与岩石力学试验同时进行相关试验研究比较缺乏. ...
Long-term creep of water-saturated tuff under uniaxial compression
1
2010
... 随着浅部资源逐渐衰竭,资源开采逐步走向深部,而深部资源赋存地质条件复杂,地应力、地下水、地温、岩体破裂程度等都影响着深部开采[1 ] .一直以来,地下水对深部岩体工程的稳定性都有重要影响,一方面地下水能通过改变岩体介质中的孔隙水压力来影响岩石的强度和变形;另一方面,地下水对岩体产生软化、泥化、冲刷等作用;对于一些酸性地下水,对岩体有溶解作用、水解作用、且还能与岩体部分成分发生化学反应[2 ] .在深部采矿过程中,含氧水与围岩相互作用致使地下水呈酸性;在天然环境下,经过长期水环境演化,也使地下水呈酸性[3 ] .目前,众多国内外学者对岩石开展了水、酸环境状态下的相关试验,对化学腐蚀岩石机制进行了相关研究,建立了相关的模型[4 -14 ] .Zhao等[4 ] 研究了水-岩力学作用和物理化学组合作用在库岸边坡变形中的作用,结果表明,水-岩相互作用引起的节理剪切刚度和强度的退化对库岸边坡的稳定性起着关键作用.Miao等[5 ] 对在不同pH值和流速条件下的花岗岩进行了单轴、三轴、劈裂试验,比较分析了花岗岩的强度损失和变形特性.用扫描电镜和电子能谱分析了酸性化学腐蚀对花岗岩微观结构、缺陷形态和矿物元素的影响.Qiao等[6 ] 的研究结果表明,水对岩石产生复杂的物理和化学影响,岩石的水物理效应包括矿物颗粒或水泥之间界面的润滑和软化以及矿物成分的冲刷、分散和运输.水化学效应包括不稳定矿物颗粒表面与水溶液之间的化学反应.Xie等[7 ] 对酸化处理后的闪长岩进行了研究,结果表明,酸化后的闪长岩力学性能大大降低.Okubo等[8 ] 分别对干燥和饱水状态下的凝灰岩和安山岩进行了单轴压缩蠕变试验,结果表明饱水状态试样的蠕变应变大于干燥试样,而蠕变破坏的强度小于干燥试样.Brzesowsky等[9 ] 研究了水化学与应力耦合对砂岩的蠕变影响规律.丁梧秀等[10 ] 研究了裂隙岩石在化学腐蚀下的损伤效应,并建立了断裂准则.刘永胜[11 ] 对岩石进行了化学腐蚀处理,开展了细观试验,研究了化学腐蚀后巷道围岩的细观力学性能.张站群等[12 ] 对灰岩进行了化学腐蚀处理,然后用霍普金森杆对被腐蚀后的灰岩进行了动态拉伸试验,探究了被腐蚀后灰岩的动态力学特性.王艳春等[13 ] 对进行了不同化学pH值浸泡处理的页岩开展了三轴蠕变试验,并建立了蠕变本构模型,得到了不同酸碱性对页岩蠕变参数影响的趋势.姜立春等[14 ] 开展了酸性矿山排泄水(acid mine drainage,AMD)溶液蚀化下的砂岩单轴压缩试验,建立了AMD蚀化下砂岩的损伤本构模型,结果表明模型能较好地反映AMD蚀化下砂岩损伤演化规律.不过这些研究大都是先对试样水化或者酸化处理,再进行力学试验.在实际深部地下工程中,地下水对岩石的侵蚀与应力对岩石的作用是同时存在的,目前水、酸腐蚀岩石与岩石力学试验同时进行相关试验研究比较缺乏. ...
Compaction creep of sands due to time-dependent grain failure: Effects of chemical environment, applied stress, and grain size
1
2015
... 随着浅部资源逐渐衰竭,资源开采逐步走向深部,而深部资源赋存地质条件复杂,地应力、地下水、地温、岩体破裂程度等都影响着深部开采[1 ] .一直以来,地下水对深部岩体工程的稳定性都有重要影响,一方面地下水能通过改变岩体介质中的孔隙水压力来影响岩石的强度和变形;另一方面,地下水对岩体产生软化、泥化、冲刷等作用;对于一些酸性地下水,对岩体有溶解作用、水解作用、且还能与岩体部分成分发生化学反应[2 ] .在深部采矿过程中,含氧水与围岩相互作用致使地下水呈酸性;在天然环境下,经过长期水环境演化,也使地下水呈酸性[3 ] .目前,众多国内外学者对岩石开展了水、酸环境状态下的相关试验,对化学腐蚀岩石机制进行了相关研究,建立了相关的模型[4 -14 ] .Zhao等[4 ] 研究了水-岩力学作用和物理化学组合作用在库岸边坡变形中的作用,结果表明,水-岩相互作用引起的节理剪切刚度和强度的退化对库岸边坡的稳定性起着关键作用.Miao等[5 ] 对在不同pH值和流速条件下的花岗岩进行了单轴、三轴、劈裂试验,比较分析了花岗岩的强度损失和变形特性.用扫描电镜和电子能谱分析了酸性化学腐蚀对花岗岩微观结构、缺陷形态和矿物元素的影响.Qiao等[6 ] 的研究结果表明,水对岩石产生复杂的物理和化学影响,岩石的水物理效应包括矿物颗粒或水泥之间界面的润滑和软化以及矿物成分的冲刷、分散和运输.水化学效应包括不稳定矿物颗粒表面与水溶液之间的化学反应.Xie等[7 ] 对酸化处理后的闪长岩进行了研究,结果表明,酸化后的闪长岩力学性能大大降低.Okubo等[8 ] 分别对干燥和饱水状态下的凝灰岩和安山岩进行了单轴压缩蠕变试验,结果表明饱水状态试样的蠕变应变大于干燥试样,而蠕变破坏的强度小于干燥试样.Brzesowsky等[9 ] 研究了水化学与应力耦合对砂岩的蠕变影响规律.丁梧秀等[10 ] 研究了裂隙岩石在化学腐蚀下的损伤效应,并建立了断裂准则.刘永胜[11 ] 对岩石进行了化学腐蚀处理,开展了细观试验,研究了化学腐蚀后巷道围岩的细观力学性能.张站群等[12 ] 对灰岩进行了化学腐蚀处理,然后用霍普金森杆对被腐蚀后的灰岩进行了动态拉伸试验,探究了被腐蚀后灰岩的动态力学特性.王艳春等[13 ] 对进行了不同化学pH值浸泡处理的页岩开展了三轴蠕变试验,并建立了蠕变本构模型,得到了不同酸碱性对页岩蠕变参数影响的趋势.姜立春等[14 ] 开展了酸性矿山排泄水(acid mine drainage,AMD)溶液蚀化下的砂岩单轴压缩试验,建立了AMD蚀化下砂岩的损伤本构模型,结果表明模型能较好地反映AMD蚀化下砂岩损伤演化规律.不过这些研究大都是先对试样水化或者酸化处理,再进行力学试验.在实际深部地下工程中,地下水对岩石的侵蚀与应力对岩石的作用是同时存在的,目前水、酸腐蚀岩石与岩石力学试验同时进行相关试验研究比较缺乏. ...
化学腐蚀下裂隙岩石的损伤效应及断裂准则研究
1
2009
... 随着浅部资源逐渐衰竭,资源开采逐步走向深部,而深部资源赋存地质条件复杂,地应力、地下水、地温、岩体破裂程度等都影响着深部开采[1 ] .一直以来,地下水对深部岩体工程的稳定性都有重要影响,一方面地下水能通过改变岩体介质中的孔隙水压力来影响岩石的强度和变形;另一方面,地下水对岩体产生软化、泥化、冲刷等作用;对于一些酸性地下水,对岩体有溶解作用、水解作用、且还能与岩体部分成分发生化学反应[2 ] .在深部采矿过程中,含氧水与围岩相互作用致使地下水呈酸性;在天然环境下,经过长期水环境演化,也使地下水呈酸性[3 ] .目前,众多国内外学者对岩石开展了水、酸环境状态下的相关试验,对化学腐蚀岩石机制进行了相关研究,建立了相关的模型[4 -14 ] .Zhao等[4 ] 研究了水-岩力学作用和物理化学组合作用在库岸边坡变形中的作用,结果表明,水-岩相互作用引起的节理剪切刚度和强度的退化对库岸边坡的稳定性起着关键作用.Miao等[5 ] 对在不同pH值和流速条件下的花岗岩进行了单轴、三轴、劈裂试验,比较分析了花岗岩的强度损失和变形特性.用扫描电镜和电子能谱分析了酸性化学腐蚀对花岗岩微观结构、缺陷形态和矿物元素的影响.Qiao等[6 ] 的研究结果表明,水对岩石产生复杂的物理和化学影响,岩石的水物理效应包括矿物颗粒或水泥之间界面的润滑和软化以及矿物成分的冲刷、分散和运输.水化学效应包括不稳定矿物颗粒表面与水溶液之间的化学反应.Xie等[7 ] 对酸化处理后的闪长岩进行了研究,结果表明,酸化后的闪长岩力学性能大大降低.Okubo等[8 ] 分别对干燥和饱水状态下的凝灰岩和安山岩进行了单轴压缩蠕变试验,结果表明饱水状态试样的蠕变应变大于干燥试样,而蠕变破坏的强度小于干燥试样.Brzesowsky等[9 ] 研究了水化学与应力耦合对砂岩的蠕变影响规律.丁梧秀等[10 ] 研究了裂隙岩石在化学腐蚀下的损伤效应,并建立了断裂准则.刘永胜[11 ] 对岩石进行了化学腐蚀处理,开展了细观试验,研究了化学腐蚀后巷道围岩的细观力学性能.张站群等[12 ] 对灰岩进行了化学腐蚀处理,然后用霍普金森杆对被腐蚀后的灰岩进行了动态拉伸试验,探究了被腐蚀后灰岩的动态力学特性.王艳春等[13 ] 对进行了不同化学pH值浸泡处理的页岩开展了三轴蠕变试验,并建立了蠕变本构模型,得到了不同酸碱性对页岩蠕变参数影响的趋势.姜立春等[14 ] 开展了酸性矿山排泄水(acid mine drainage,AMD)溶液蚀化下的砂岩单轴压缩试验,建立了AMD蚀化下砂岩的损伤本构模型,结果表明模型能较好地反映AMD蚀化下砂岩损伤演化规律.不过这些研究大都是先对试样水化或者酸化处理,再进行力学试验.在实际深部地下工程中,地下水对岩石的侵蚀与应力对岩石的作用是同时存在的,目前水、酸腐蚀岩石与岩石力学试验同时进行相关试验研究比较缺乏. ...
化学腐蚀下裂隙岩石的损伤效应及断裂准则研究
1
2009
... 随着浅部资源逐渐衰竭,资源开采逐步走向深部,而深部资源赋存地质条件复杂,地应力、地下水、地温、岩体破裂程度等都影响着深部开采[1 ] .一直以来,地下水对深部岩体工程的稳定性都有重要影响,一方面地下水能通过改变岩体介质中的孔隙水压力来影响岩石的强度和变形;另一方面,地下水对岩体产生软化、泥化、冲刷等作用;对于一些酸性地下水,对岩体有溶解作用、水解作用、且还能与岩体部分成分发生化学反应[2 ] .在深部采矿过程中,含氧水与围岩相互作用致使地下水呈酸性;在天然环境下,经过长期水环境演化,也使地下水呈酸性[3 ] .目前,众多国内外学者对岩石开展了水、酸环境状态下的相关试验,对化学腐蚀岩石机制进行了相关研究,建立了相关的模型[4 -14 ] .Zhao等[4 ] 研究了水-岩力学作用和物理化学组合作用在库岸边坡变形中的作用,结果表明,水-岩相互作用引起的节理剪切刚度和强度的退化对库岸边坡的稳定性起着关键作用.Miao等[5 ] 对在不同pH值和流速条件下的花岗岩进行了单轴、三轴、劈裂试验,比较分析了花岗岩的强度损失和变形特性.用扫描电镜和电子能谱分析了酸性化学腐蚀对花岗岩微观结构、缺陷形态和矿物元素的影响.Qiao等[6 ] 的研究结果表明,水对岩石产生复杂的物理和化学影响,岩石的水物理效应包括矿物颗粒或水泥之间界面的润滑和软化以及矿物成分的冲刷、分散和运输.水化学效应包括不稳定矿物颗粒表面与水溶液之间的化学反应.Xie等[7 ] 对酸化处理后的闪长岩进行了研究,结果表明,酸化后的闪长岩力学性能大大降低.Okubo等[8 ] 分别对干燥和饱水状态下的凝灰岩和安山岩进行了单轴压缩蠕变试验,结果表明饱水状态试样的蠕变应变大于干燥试样,而蠕变破坏的强度小于干燥试样.Brzesowsky等[9 ] 研究了水化学与应力耦合对砂岩的蠕变影响规律.丁梧秀等[10 ] 研究了裂隙岩石在化学腐蚀下的损伤效应,并建立了断裂准则.刘永胜[11 ] 对岩石进行了化学腐蚀处理,开展了细观试验,研究了化学腐蚀后巷道围岩的细观力学性能.张站群等[12 ] 对灰岩进行了化学腐蚀处理,然后用霍普金森杆对被腐蚀后的灰岩进行了动态拉伸试验,探究了被腐蚀后灰岩的动态力学特性.王艳春等[13 ] 对进行了不同化学pH值浸泡处理的页岩开展了三轴蠕变试验,并建立了蠕变本构模型,得到了不同酸碱性对页岩蠕变参数影响的趋势.姜立春等[14 ] 开展了酸性矿山排泄水(acid mine drainage,AMD)溶液蚀化下的砂岩单轴压缩试验,建立了AMD蚀化下砂岩的损伤本构模型,结果表明模型能较好地反映AMD蚀化下砂岩损伤演化规律.不过这些研究大都是先对试样水化或者酸化处理,再进行力学试验.在实际深部地下工程中,地下水对岩石的侵蚀与应力对岩石的作用是同时存在的,目前水、酸腐蚀岩石与岩石力学试验同时进行相关试验研究比较缺乏. ...
化学腐蚀作用下深部巷道围岩的细观力学性能研究
1
2013
... 随着浅部资源逐渐衰竭,资源开采逐步走向深部,而深部资源赋存地质条件复杂,地应力、地下水、地温、岩体破裂程度等都影响着深部开采[1 ] .一直以来,地下水对深部岩体工程的稳定性都有重要影响,一方面地下水能通过改变岩体介质中的孔隙水压力来影响岩石的强度和变形;另一方面,地下水对岩体产生软化、泥化、冲刷等作用;对于一些酸性地下水,对岩体有溶解作用、水解作用、且还能与岩体部分成分发生化学反应[2 ] .在深部采矿过程中,含氧水与围岩相互作用致使地下水呈酸性;在天然环境下,经过长期水环境演化,也使地下水呈酸性[3 ] .目前,众多国内外学者对岩石开展了水、酸环境状态下的相关试验,对化学腐蚀岩石机制进行了相关研究,建立了相关的模型[4 -14 ] .Zhao等[4 ] 研究了水-岩力学作用和物理化学组合作用在库岸边坡变形中的作用,结果表明,水-岩相互作用引起的节理剪切刚度和强度的退化对库岸边坡的稳定性起着关键作用.Miao等[5 ] 对在不同pH值和流速条件下的花岗岩进行了单轴、三轴、劈裂试验,比较分析了花岗岩的强度损失和变形特性.用扫描电镜和电子能谱分析了酸性化学腐蚀对花岗岩微观结构、缺陷形态和矿物元素的影响.Qiao等[6 ] 的研究结果表明,水对岩石产生复杂的物理和化学影响,岩石的水物理效应包括矿物颗粒或水泥之间界面的润滑和软化以及矿物成分的冲刷、分散和运输.水化学效应包括不稳定矿物颗粒表面与水溶液之间的化学反应.Xie等[7 ] 对酸化处理后的闪长岩进行了研究,结果表明,酸化后的闪长岩力学性能大大降低.Okubo等[8 ] 分别对干燥和饱水状态下的凝灰岩和安山岩进行了单轴压缩蠕变试验,结果表明饱水状态试样的蠕变应变大于干燥试样,而蠕变破坏的强度小于干燥试样.Brzesowsky等[9 ] 研究了水化学与应力耦合对砂岩的蠕变影响规律.丁梧秀等[10 ] 研究了裂隙岩石在化学腐蚀下的损伤效应,并建立了断裂准则.刘永胜[11 ] 对岩石进行了化学腐蚀处理,开展了细观试验,研究了化学腐蚀后巷道围岩的细观力学性能.张站群等[12 ] 对灰岩进行了化学腐蚀处理,然后用霍普金森杆对被腐蚀后的灰岩进行了动态拉伸试验,探究了被腐蚀后灰岩的动态力学特性.王艳春等[13 ] 对进行了不同化学pH值浸泡处理的页岩开展了三轴蠕变试验,并建立了蠕变本构模型,得到了不同酸碱性对页岩蠕变参数影响的趋势.姜立春等[14 ] 开展了酸性矿山排泄水(acid mine drainage,AMD)溶液蚀化下的砂岩单轴压缩试验,建立了AMD蚀化下砂岩的损伤本构模型,结果表明模型能较好地反映AMD蚀化下砂岩损伤演化规律.不过这些研究大都是先对试样水化或者酸化处理,再进行力学试验.在实际深部地下工程中,地下水对岩石的侵蚀与应力对岩石的作用是同时存在的,目前水、酸腐蚀岩石与岩石力学试验同时进行相关试验研究比较缺乏. ...
化学腐蚀作用下深部巷道围岩的细观力学性能研究
1
2013
... 随着浅部资源逐渐衰竭,资源开采逐步走向深部,而深部资源赋存地质条件复杂,地应力、地下水、地温、岩体破裂程度等都影响着深部开采[1 ] .一直以来,地下水对深部岩体工程的稳定性都有重要影响,一方面地下水能通过改变岩体介质中的孔隙水压力来影响岩石的强度和变形;另一方面,地下水对岩体产生软化、泥化、冲刷等作用;对于一些酸性地下水,对岩体有溶解作用、水解作用、且还能与岩体部分成分发生化学反应[2 ] .在深部采矿过程中,含氧水与围岩相互作用致使地下水呈酸性;在天然环境下,经过长期水环境演化,也使地下水呈酸性[3 ] .目前,众多国内外学者对岩石开展了水、酸环境状态下的相关试验,对化学腐蚀岩石机制进行了相关研究,建立了相关的模型[4 -14 ] .Zhao等[4 ] 研究了水-岩力学作用和物理化学组合作用在库岸边坡变形中的作用,结果表明,水-岩相互作用引起的节理剪切刚度和强度的退化对库岸边坡的稳定性起着关键作用.Miao等[5 ] 对在不同pH值和流速条件下的花岗岩进行了单轴、三轴、劈裂试验,比较分析了花岗岩的强度损失和变形特性.用扫描电镜和电子能谱分析了酸性化学腐蚀对花岗岩微观结构、缺陷形态和矿物元素的影响.Qiao等[6 ] 的研究结果表明,水对岩石产生复杂的物理和化学影响,岩石的水物理效应包括矿物颗粒或水泥之间界面的润滑和软化以及矿物成分的冲刷、分散和运输.水化学效应包括不稳定矿物颗粒表面与水溶液之间的化学反应.Xie等[7 ] 对酸化处理后的闪长岩进行了研究,结果表明,酸化后的闪长岩力学性能大大降低.Okubo等[8 ] 分别对干燥和饱水状态下的凝灰岩和安山岩进行了单轴压缩蠕变试验,结果表明饱水状态试样的蠕变应变大于干燥试样,而蠕变破坏的强度小于干燥试样.Brzesowsky等[9 ] 研究了水化学与应力耦合对砂岩的蠕变影响规律.丁梧秀等[10 ] 研究了裂隙岩石在化学腐蚀下的损伤效应,并建立了断裂准则.刘永胜[11 ] 对岩石进行了化学腐蚀处理,开展了细观试验,研究了化学腐蚀后巷道围岩的细观力学性能.张站群等[12 ] 对灰岩进行了化学腐蚀处理,然后用霍普金森杆对被腐蚀后的灰岩进行了动态拉伸试验,探究了被腐蚀后灰岩的动态力学特性.王艳春等[13 ] 对进行了不同化学pH值浸泡处理的页岩开展了三轴蠕变试验,并建立了蠕变本构模型,得到了不同酸碱性对页岩蠕变参数影响的趋势.姜立春等[14 ] 开展了酸性矿山排泄水(acid mine drainage,AMD)溶液蚀化下的砂岩单轴压缩试验,建立了AMD蚀化下砂岩的损伤本构模型,结果表明模型能较好地反映AMD蚀化下砂岩损伤演化规律.不过这些研究大都是先对试样水化或者酸化处理,再进行力学试验.在实际深部地下工程中,地下水对岩石的侵蚀与应力对岩石的作用是同时存在的,目前水、酸腐蚀岩石与岩石力学试验同时进行相关试验研究比较缺乏. ...
化学腐蚀后灰岩动态拉伸力学特性试验研究
1
2020
... 随着浅部资源逐渐衰竭,资源开采逐步走向深部,而深部资源赋存地质条件复杂,地应力、地下水、地温、岩体破裂程度等都影响着深部开采[1 ] .一直以来,地下水对深部岩体工程的稳定性都有重要影响,一方面地下水能通过改变岩体介质中的孔隙水压力来影响岩石的强度和变形;另一方面,地下水对岩体产生软化、泥化、冲刷等作用;对于一些酸性地下水,对岩体有溶解作用、水解作用、且还能与岩体部分成分发生化学反应[2 ] .在深部采矿过程中,含氧水与围岩相互作用致使地下水呈酸性;在天然环境下,经过长期水环境演化,也使地下水呈酸性[3 ] .目前,众多国内外学者对岩石开展了水、酸环境状态下的相关试验,对化学腐蚀岩石机制进行了相关研究,建立了相关的模型[4 -14 ] .Zhao等[4 ] 研究了水-岩力学作用和物理化学组合作用在库岸边坡变形中的作用,结果表明,水-岩相互作用引起的节理剪切刚度和强度的退化对库岸边坡的稳定性起着关键作用.Miao等[5 ] 对在不同pH值和流速条件下的花岗岩进行了单轴、三轴、劈裂试验,比较分析了花岗岩的强度损失和变形特性.用扫描电镜和电子能谱分析了酸性化学腐蚀对花岗岩微观结构、缺陷形态和矿物元素的影响.Qiao等[6 ] 的研究结果表明,水对岩石产生复杂的物理和化学影响,岩石的水物理效应包括矿物颗粒或水泥之间界面的润滑和软化以及矿物成分的冲刷、分散和运输.水化学效应包括不稳定矿物颗粒表面与水溶液之间的化学反应.Xie等[7 ] 对酸化处理后的闪长岩进行了研究,结果表明,酸化后的闪长岩力学性能大大降低.Okubo等[8 ] 分别对干燥和饱水状态下的凝灰岩和安山岩进行了单轴压缩蠕变试验,结果表明饱水状态试样的蠕变应变大于干燥试样,而蠕变破坏的强度小于干燥试样.Brzesowsky等[9 ] 研究了水化学与应力耦合对砂岩的蠕变影响规律.丁梧秀等[10 ] 研究了裂隙岩石在化学腐蚀下的损伤效应,并建立了断裂准则.刘永胜[11 ] 对岩石进行了化学腐蚀处理,开展了细观试验,研究了化学腐蚀后巷道围岩的细观力学性能.张站群等[12 ] 对灰岩进行了化学腐蚀处理,然后用霍普金森杆对被腐蚀后的灰岩进行了动态拉伸试验,探究了被腐蚀后灰岩的动态力学特性.王艳春等[13 ] 对进行了不同化学pH值浸泡处理的页岩开展了三轴蠕变试验,并建立了蠕变本构模型,得到了不同酸碱性对页岩蠕变参数影响的趋势.姜立春等[14 ] 开展了酸性矿山排泄水(acid mine drainage,AMD)溶液蚀化下的砂岩单轴压缩试验,建立了AMD蚀化下砂岩的损伤本构模型,结果表明模型能较好地反映AMD蚀化下砂岩损伤演化规律.不过这些研究大都是先对试样水化或者酸化处理,再进行力学试验.在实际深部地下工程中,地下水对岩石的侵蚀与应力对岩石的作用是同时存在的,目前水、酸腐蚀岩石与岩石力学试验同时进行相关试验研究比较缺乏. ...
化学腐蚀后灰岩动态拉伸力学特性试验研究
1
2020
... 随着浅部资源逐渐衰竭,资源开采逐步走向深部,而深部资源赋存地质条件复杂,地应力、地下水、地温、岩体破裂程度等都影响着深部开采[1 ] .一直以来,地下水对深部岩体工程的稳定性都有重要影响,一方面地下水能通过改变岩体介质中的孔隙水压力来影响岩石的强度和变形;另一方面,地下水对岩体产生软化、泥化、冲刷等作用;对于一些酸性地下水,对岩体有溶解作用、水解作用、且还能与岩体部分成分发生化学反应[2 ] .在深部采矿过程中,含氧水与围岩相互作用致使地下水呈酸性;在天然环境下,经过长期水环境演化,也使地下水呈酸性[3 ] .目前,众多国内外学者对岩石开展了水、酸环境状态下的相关试验,对化学腐蚀岩石机制进行了相关研究,建立了相关的模型[4 -14 ] .Zhao等[4 ] 研究了水-岩力学作用和物理化学组合作用在库岸边坡变形中的作用,结果表明,水-岩相互作用引起的节理剪切刚度和强度的退化对库岸边坡的稳定性起着关键作用.Miao等[5 ] 对在不同pH值和流速条件下的花岗岩进行了单轴、三轴、劈裂试验,比较分析了花岗岩的强度损失和变形特性.用扫描电镜和电子能谱分析了酸性化学腐蚀对花岗岩微观结构、缺陷形态和矿物元素的影响.Qiao等[6 ] 的研究结果表明,水对岩石产生复杂的物理和化学影响,岩石的水物理效应包括矿物颗粒或水泥之间界面的润滑和软化以及矿物成分的冲刷、分散和运输.水化学效应包括不稳定矿物颗粒表面与水溶液之间的化学反应.Xie等[7 ] 对酸化处理后的闪长岩进行了研究,结果表明,酸化后的闪长岩力学性能大大降低.Okubo等[8 ] 分别对干燥和饱水状态下的凝灰岩和安山岩进行了单轴压缩蠕变试验,结果表明饱水状态试样的蠕变应变大于干燥试样,而蠕变破坏的强度小于干燥试样.Brzesowsky等[9 ] 研究了水化学与应力耦合对砂岩的蠕变影响规律.丁梧秀等[10 ] 研究了裂隙岩石在化学腐蚀下的损伤效应,并建立了断裂准则.刘永胜[11 ] 对岩石进行了化学腐蚀处理,开展了细观试验,研究了化学腐蚀后巷道围岩的细观力学性能.张站群等[12 ] 对灰岩进行了化学腐蚀处理,然后用霍普金森杆对被腐蚀后的灰岩进行了动态拉伸试验,探究了被腐蚀后灰岩的动态力学特性.王艳春等[13 ] 对进行了不同化学pH值浸泡处理的页岩开展了三轴蠕变试验,并建立了蠕变本构模型,得到了不同酸碱性对页岩蠕变参数影响的趋势.姜立春等[14 ] 开展了酸性矿山排泄水(acid mine drainage,AMD)溶液蚀化下的砂岩单轴压缩试验,建立了AMD蚀化下砂岩的损伤本构模型,结果表明模型能较好地反映AMD蚀化下砂岩损伤演化规律.不过这些研究大都是先对试样水化或者酸化处理,再进行力学试验.在实际深部地下工程中,地下水对岩石的侵蚀与应力对岩石的作用是同时存在的,目前水、酸腐蚀岩石与岩石力学试验同时进行相关试验研究比较缺乏. ...
基于化学酸碱度表征的页岩蠕变模型
3
2019
... 随着浅部资源逐渐衰竭,资源开采逐步走向深部,而深部资源赋存地质条件复杂,地应力、地下水、地温、岩体破裂程度等都影响着深部开采[1 ] .一直以来,地下水对深部岩体工程的稳定性都有重要影响,一方面地下水能通过改变岩体介质中的孔隙水压力来影响岩石的强度和变形;另一方面,地下水对岩体产生软化、泥化、冲刷等作用;对于一些酸性地下水,对岩体有溶解作用、水解作用、且还能与岩体部分成分发生化学反应[2 ] .在深部采矿过程中,含氧水与围岩相互作用致使地下水呈酸性;在天然环境下,经过长期水环境演化,也使地下水呈酸性[3 ] .目前,众多国内外学者对岩石开展了水、酸环境状态下的相关试验,对化学腐蚀岩石机制进行了相关研究,建立了相关的模型[4 -14 ] .Zhao等[4 ] 研究了水-岩力学作用和物理化学组合作用在库岸边坡变形中的作用,结果表明,水-岩相互作用引起的节理剪切刚度和强度的退化对库岸边坡的稳定性起着关键作用.Miao等[5 ] 对在不同pH值和流速条件下的花岗岩进行了单轴、三轴、劈裂试验,比较分析了花岗岩的强度损失和变形特性.用扫描电镜和电子能谱分析了酸性化学腐蚀对花岗岩微观结构、缺陷形态和矿物元素的影响.Qiao等[6 ] 的研究结果表明,水对岩石产生复杂的物理和化学影响,岩石的水物理效应包括矿物颗粒或水泥之间界面的润滑和软化以及矿物成分的冲刷、分散和运输.水化学效应包括不稳定矿物颗粒表面与水溶液之间的化学反应.Xie等[7 ] 对酸化处理后的闪长岩进行了研究,结果表明,酸化后的闪长岩力学性能大大降低.Okubo等[8 ] 分别对干燥和饱水状态下的凝灰岩和安山岩进行了单轴压缩蠕变试验,结果表明饱水状态试样的蠕变应变大于干燥试样,而蠕变破坏的强度小于干燥试样.Brzesowsky等[9 ] 研究了水化学与应力耦合对砂岩的蠕变影响规律.丁梧秀等[10 ] 研究了裂隙岩石在化学腐蚀下的损伤效应,并建立了断裂准则.刘永胜[11 ] 对岩石进行了化学腐蚀处理,开展了细观试验,研究了化学腐蚀后巷道围岩的细观力学性能.张站群等[12 ] 对灰岩进行了化学腐蚀处理,然后用霍普金森杆对被腐蚀后的灰岩进行了动态拉伸试验,探究了被腐蚀后灰岩的动态力学特性.王艳春等[13 ] 对进行了不同化学pH值浸泡处理的页岩开展了三轴蠕变试验,并建立了蠕变本构模型,得到了不同酸碱性对页岩蠕变参数影响的趋势.姜立春等[14 ] 开展了酸性矿山排泄水(acid mine drainage,AMD)溶液蚀化下的砂岩单轴压缩试验,建立了AMD蚀化下砂岩的损伤本构模型,结果表明模型能较好地反映AMD蚀化下砂岩损伤演化规律.不过这些研究大都是先对试样水化或者酸化处理,再进行力学试验.在实际深部地下工程中,地下水对岩石的侵蚀与应力对岩石的作用是同时存在的,目前水、酸腐蚀岩石与岩石力学试验同时进行相关试验研究比较缺乏. ...
... (2) 考虑酸腐蚀的变系数Abel黏壶:周宏伟等[18 ] 在常系数Abel黏壶的基础上,考虑了载荷作用时间的影响,引入了定义为负指数函数形式的损伤变量$D=1-\mathrm{e}^{-\alpha t}$来描述岩盐流变损伤演化规律.岩石处在水化学的环境中,其不仅受到加载过程中应力造成的损伤,还受到化学腐蚀的影响,导致其结构发生变化,孔隙增大,产生化学损伤,即化学腐蚀加剧了岩石的蠕变损伤[13 ,23 ] .研究表明,当对岩石的载荷达到或者超过一定应力水平时,岩石内部才会产生损伤,并出现加速蠕变阶段[13 ,23 -24 ] .所以本文仅对黏性系数考虑应力和化学腐蚀损伤的影响.通过对蠕变试验结果进一步分析,计算出试样加速蠕变阶段的平均应变速率,pH=5, pH=6,pH=7的试样加速蠕变阶段平均应变速率分别为2.72,$\times$,10$^{-3}$ h$^{-1}$, 1.01,$\times$,10$^{-3}$ h$^{-1}$, 4.07,$\times$,10$^{-4}$ h$^{-1}$.分析试样加速蠕变阶段平均应变速率可知,随着pH的减小,试样在加速蠕变阶段平均应变速率基本呈线性增加.表明酸的存在,影响了岩石的加速蠕变阶段,且酸性越强,效果越明显.黏性元件的本构关系[25 ] 为 ...
... [13 ,23 -24 ].所以本文仅对黏性系数考虑应力和化学腐蚀损伤的影响.通过对蠕变试验结果进一步分析,计算出试样加速蠕变阶段的平均应变速率,pH=5, pH=6,pH=7的试样加速蠕变阶段平均应变速率分别为2.72,$\times$,10$^{-3}$ h$^{-1}$, 1.01,$\times$,10$^{-3}$ h$^{-1}$, 4.07,$\times$,10$^{-4}$ h$^{-1}$.分析试样加速蠕变阶段平均应变速率可知,随着pH的减小,试样在加速蠕变阶段平均应变速率基本呈线性增加.表明酸的存在,影响了岩石的加速蠕变阶段,且酸性越强,效果越明显.黏性元件的本构关系[25 ] 为 ...
基于化学酸碱度表征的页岩蠕变模型
3
2019
... 随着浅部资源逐渐衰竭,资源开采逐步走向深部,而深部资源赋存地质条件复杂,地应力、地下水、地温、岩体破裂程度等都影响着深部开采[1 ] .一直以来,地下水对深部岩体工程的稳定性都有重要影响,一方面地下水能通过改变岩体介质中的孔隙水压力来影响岩石的强度和变形;另一方面,地下水对岩体产生软化、泥化、冲刷等作用;对于一些酸性地下水,对岩体有溶解作用、水解作用、且还能与岩体部分成分发生化学反应[2 ] .在深部采矿过程中,含氧水与围岩相互作用致使地下水呈酸性;在天然环境下,经过长期水环境演化,也使地下水呈酸性[3 ] .目前,众多国内外学者对岩石开展了水、酸环境状态下的相关试验,对化学腐蚀岩石机制进行了相关研究,建立了相关的模型[4 -14 ] .Zhao等[4 ] 研究了水-岩力学作用和物理化学组合作用在库岸边坡变形中的作用,结果表明,水-岩相互作用引起的节理剪切刚度和强度的退化对库岸边坡的稳定性起着关键作用.Miao等[5 ] 对在不同pH值和流速条件下的花岗岩进行了单轴、三轴、劈裂试验,比较分析了花岗岩的强度损失和变形特性.用扫描电镜和电子能谱分析了酸性化学腐蚀对花岗岩微观结构、缺陷形态和矿物元素的影响.Qiao等[6 ] 的研究结果表明,水对岩石产生复杂的物理和化学影响,岩石的水物理效应包括矿物颗粒或水泥之间界面的润滑和软化以及矿物成分的冲刷、分散和运输.水化学效应包括不稳定矿物颗粒表面与水溶液之间的化学反应.Xie等[7 ] 对酸化处理后的闪长岩进行了研究,结果表明,酸化后的闪长岩力学性能大大降低.Okubo等[8 ] 分别对干燥和饱水状态下的凝灰岩和安山岩进行了单轴压缩蠕变试验,结果表明饱水状态试样的蠕变应变大于干燥试样,而蠕变破坏的强度小于干燥试样.Brzesowsky等[9 ] 研究了水化学与应力耦合对砂岩的蠕变影响规律.丁梧秀等[10 ] 研究了裂隙岩石在化学腐蚀下的损伤效应,并建立了断裂准则.刘永胜[11 ] 对岩石进行了化学腐蚀处理,开展了细观试验,研究了化学腐蚀后巷道围岩的细观力学性能.张站群等[12 ] 对灰岩进行了化学腐蚀处理,然后用霍普金森杆对被腐蚀后的灰岩进行了动态拉伸试验,探究了被腐蚀后灰岩的动态力学特性.王艳春等[13 ] 对进行了不同化学pH值浸泡处理的页岩开展了三轴蠕变试验,并建立了蠕变本构模型,得到了不同酸碱性对页岩蠕变参数影响的趋势.姜立春等[14 ] 开展了酸性矿山排泄水(acid mine drainage,AMD)溶液蚀化下的砂岩单轴压缩试验,建立了AMD蚀化下砂岩的损伤本构模型,结果表明模型能较好地反映AMD蚀化下砂岩损伤演化规律.不过这些研究大都是先对试样水化或者酸化处理,再进行力学试验.在实际深部地下工程中,地下水对岩石的侵蚀与应力对岩石的作用是同时存在的,目前水、酸腐蚀岩石与岩石力学试验同时进行相关试验研究比较缺乏. ...
... (2) 考虑酸腐蚀的变系数Abel黏壶:周宏伟等[18 ] 在常系数Abel黏壶的基础上,考虑了载荷作用时间的影响,引入了定义为负指数函数形式的损伤变量$D=1-\mathrm{e}^{-\alpha t}$来描述岩盐流变损伤演化规律.岩石处在水化学的环境中,其不仅受到加载过程中应力造成的损伤,还受到化学腐蚀的影响,导致其结构发生变化,孔隙增大,产生化学损伤,即化学腐蚀加剧了岩石的蠕变损伤[13 ,23 ] .研究表明,当对岩石的载荷达到或者超过一定应力水平时,岩石内部才会产生损伤,并出现加速蠕变阶段[13 ,23 -24 ] .所以本文仅对黏性系数考虑应力和化学腐蚀损伤的影响.通过对蠕变试验结果进一步分析,计算出试样加速蠕变阶段的平均应变速率,pH=5, pH=6,pH=7的试样加速蠕变阶段平均应变速率分别为2.72,$\times$,10$^{-3}$ h$^{-1}$, 1.01,$\times$,10$^{-3}$ h$^{-1}$, 4.07,$\times$,10$^{-4}$ h$^{-1}$.分析试样加速蠕变阶段平均应变速率可知,随着pH的减小,试样在加速蠕变阶段平均应变速率基本呈线性增加.表明酸的存在,影响了岩石的加速蠕变阶段,且酸性越强,效果越明显.黏性元件的本构关系[25 ] 为 ...
... [13 ,23 -24 ].所以本文仅对黏性系数考虑应力和化学腐蚀损伤的影响.通过对蠕变试验结果进一步分析,计算出试样加速蠕变阶段的平均应变速率,pH=5, pH=6,pH=7的试样加速蠕变阶段平均应变速率分别为2.72,$\times$,10$^{-3}$ h$^{-1}$, 1.01,$\times$,10$^{-3}$ h$^{-1}$, 4.07,$\times$,10$^{-4}$ h$^{-1}$.分析试样加速蠕变阶段平均应变速率可知,随着pH的减小,试样在加速蠕变阶段平均应变速率基本呈线性增加.表明酸的存在,影响了岩石的加速蠕变阶段,且酸性越强,效果越明显.黏性元件的本构关系[25 ] 为 ...
AMD蚀化下砂岩的损伤本构模型
2
2011
... 随着浅部资源逐渐衰竭,资源开采逐步走向深部,而深部资源赋存地质条件复杂,地应力、地下水、地温、岩体破裂程度等都影响着深部开采[1 ] .一直以来,地下水对深部岩体工程的稳定性都有重要影响,一方面地下水能通过改变岩体介质中的孔隙水压力来影响岩石的强度和变形;另一方面,地下水对岩体产生软化、泥化、冲刷等作用;对于一些酸性地下水,对岩体有溶解作用、水解作用、且还能与岩体部分成分发生化学反应[2 ] .在深部采矿过程中,含氧水与围岩相互作用致使地下水呈酸性;在天然环境下,经过长期水环境演化,也使地下水呈酸性[3 ] .目前,众多国内外学者对岩石开展了水、酸环境状态下的相关试验,对化学腐蚀岩石机制进行了相关研究,建立了相关的模型[4 -14 ] .Zhao等[4 ] 研究了水-岩力学作用和物理化学组合作用在库岸边坡变形中的作用,结果表明,水-岩相互作用引起的节理剪切刚度和强度的退化对库岸边坡的稳定性起着关键作用.Miao等[5 ] 对在不同pH值和流速条件下的花岗岩进行了单轴、三轴、劈裂试验,比较分析了花岗岩的强度损失和变形特性.用扫描电镜和电子能谱分析了酸性化学腐蚀对花岗岩微观结构、缺陷形态和矿物元素的影响.Qiao等[6 ] 的研究结果表明,水对岩石产生复杂的物理和化学影响,岩石的水物理效应包括矿物颗粒或水泥之间界面的润滑和软化以及矿物成分的冲刷、分散和运输.水化学效应包括不稳定矿物颗粒表面与水溶液之间的化学反应.Xie等[7 ] 对酸化处理后的闪长岩进行了研究,结果表明,酸化后的闪长岩力学性能大大降低.Okubo等[8 ] 分别对干燥和饱水状态下的凝灰岩和安山岩进行了单轴压缩蠕变试验,结果表明饱水状态试样的蠕变应变大于干燥试样,而蠕变破坏的强度小于干燥试样.Brzesowsky等[9 ] 研究了水化学与应力耦合对砂岩的蠕变影响规律.丁梧秀等[10 ] 研究了裂隙岩石在化学腐蚀下的损伤效应,并建立了断裂准则.刘永胜[11 ] 对岩石进行了化学腐蚀处理,开展了细观试验,研究了化学腐蚀后巷道围岩的细观力学性能.张站群等[12 ] 对灰岩进行了化学腐蚀处理,然后用霍普金森杆对被腐蚀后的灰岩进行了动态拉伸试验,探究了被腐蚀后灰岩的动态力学特性.王艳春等[13 ] 对进行了不同化学pH值浸泡处理的页岩开展了三轴蠕变试验,并建立了蠕变本构模型,得到了不同酸碱性对页岩蠕变参数影响的趋势.姜立春等[14 ] 开展了酸性矿山排泄水(acid mine drainage,AMD)溶液蚀化下的砂岩单轴压缩试验,建立了AMD蚀化下砂岩的损伤本构模型,结果表明模型能较好地反映AMD蚀化下砂岩损伤演化规律.不过这些研究大都是先对试样水化或者酸化处理,再进行力学试验.在实际深部地下工程中,地下水对岩石的侵蚀与应力对岩石的作用是同时存在的,目前水、酸腐蚀岩石与岩石力学试验同时进行相关试验研究比较缺乏. ...
... [14 ]开展了酸性矿山排泄水(acid mine drainage,AMD)溶液蚀化下的砂岩单轴压缩试验,建立了AMD蚀化下砂岩的损伤本构模型,结果表明模型能较好地反映AMD蚀化下砂岩损伤演化规律.不过这些研究大都是先对试样水化或者酸化处理,再进行力学试验.在实际深部地下工程中,地下水对岩石的侵蚀与应力对岩石的作用是同时存在的,目前水、酸腐蚀岩石与岩石力学试验同时进行相关试验研究比较缺乏. ...
AMD蚀化下砂岩的损伤本构模型
2
2011
... 随着浅部资源逐渐衰竭,资源开采逐步走向深部,而深部资源赋存地质条件复杂,地应力、地下水、地温、岩体破裂程度等都影响着深部开采[1 ] .一直以来,地下水对深部岩体工程的稳定性都有重要影响,一方面地下水能通过改变岩体介质中的孔隙水压力来影响岩石的强度和变形;另一方面,地下水对岩体产生软化、泥化、冲刷等作用;对于一些酸性地下水,对岩体有溶解作用、水解作用、且还能与岩体部分成分发生化学反应[2 ] .在深部采矿过程中,含氧水与围岩相互作用致使地下水呈酸性;在天然环境下,经过长期水环境演化,也使地下水呈酸性[3 ] .目前,众多国内外学者对岩石开展了水、酸环境状态下的相关试验,对化学腐蚀岩石机制进行了相关研究,建立了相关的模型[4 -14 ] .Zhao等[4 ] 研究了水-岩力学作用和物理化学组合作用在库岸边坡变形中的作用,结果表明,水-岩相互作用引起的节理剪切刚度和强度的退化对库岸边坡的稳定性起着关键作用.Miao等[5 ] 对在不同pH值和流速条件下的花岗岩进行了单轴、三轴、劈裂试验,比较分析了花岗岩的强度损失和变形特性.用扫描电镜和电子能谱分析了酸性化学腐蚀对花岗岩微观结构、缺陷形态和矿物元素的影响.Qiao等[6 ] 的研究结果表明,水对岩石产生复杂的物理和化学影响,岩石的水物理效应包括矿物颗粒或水泥之间界面的润滑和软化以及矿物成分的冲刷、分散和运输.水化学效应包括不稳定矿物颗粒表面与水溶液之间的化学反应.Xie等[7 ] 对酸化处理后的闪长岩进行了研究,结果表明,酸化后的闪长岩力学性能大大降低.Okubo等[8 ] 分别对干燥和饱水状态下的凝灰岩和安山岩进行了单轴压缩蠕变试验,结果表明饱水状态试样的蠕变应变大于干燥试样,而蠕变破坏的强度小于干燥试样.Brzesowsky等[9 ] 研究了水化学与应力耦合对砂岩的蠕变影响规律.丁梧秀等[10 ] 研究了裂隙岩石在化学腐蚀下的损伤效应,并建立了断裂准则.刘永胜[11 ] 对岩石进行了化学腐蚀处理,开展了细观试验,研究了化学腐蚀后巷道围岩的细观力学性能.张站群等[12 ] 对灰岩进行了化学腐蚀处理,然后用霍普金森杆对被腐蚀后的灰岩进行了动态拉伸试验,探究了被腐蚀后灰岩的动态力学特性.王艳春等[13 ] 对进行了不同化学pH值浸泡处理的页岩开展了三轴蠕变试验,并建立了蠕变本构模型,得到了不同酸碱性对页岩蠕变参数影响的趋势.姜立春等[14 ] 开展了酸性矿山排泄水(acid mine drainage,AMD)溶液蚀化下的砂岩单轴压缩试验,建立了AMD蚀化下砂岩的损伤本构模型,结果表明模型能较好地反映AMD蚀化下砂岩损伤演化规律.不过这些研究大都是先对试样水化或者酸化处理,再进行力学试验.在实际深部地下工程中,地下水对岩石的侵蚀与应力对岩石的作用是同时存在的,目前水、酸腐蚀岩石与岩石力学试验同时进行相关试验研究比较缺乏. ...
... [14 ]开展了酸性矿山排泄水(acid mine drainage,AMD)溶液蚀化下的砂岩单轴压缩试验,建立了AMD蚀化下砂岩的损伤本构模型,结果表明模型能较好地反映AMD蚀化下砂岩损伤演化规律.不过这些研究大都是先对试样水化或者酸化处理,再进行力学试验.在实际深部地下工程中,地下水对岩石的侵蚀与应力对岩石的作用是同时存在的,目前水、酸腐蚀岩石与岩石力学试验同时进行相关试验研究比较缺乏. ...
一种新的岩土流变模型元件
1
2007
... 分数阶微积分是整数阶微积分向任意阶的推广,是一种解决工程力学建模问题的主要工具,目前广泛应用于岩石蠕变建模.殷德顺等[15 ] 利用R-L分数阶微积分算子理论,给出了一种用于模拟理想固体与理想流体之间的土体的软体元件和本构模型.Zhou等[16 ] 将西原体中牛顿黏壶替换成常系数Abel黏壶,建立了新的分数阶导数模型.何利军等[17 ] 利用分数阶修正了Burger模型,提出了一种描述软黏土蠕变模型.周宏伟等[18 ] 在常系数Abel黏壶的基础上,提出了一种新的变系数Abel黏壶,并构建了基于分数阶导数的岩盐蠕变模型.吴斐等[19 ] 提出了一种分数阶非线性黏壶元件,从而建立了新的分数阶非线性蠕变本构方程.丁靖洋等[20 ] 在经典三元件模型基础上,构建了基于损伤演化的分数阶三元件模型.Wu等[21 ] 基于分数阶导数理论,建立了盐岩的分数阶黏弹塑性蠕变本模型,根据室内试验结果验证了该模型的合理性. ...
一种新的岩土流变模型元件
1
2007
... 分数阶微积分是整数阶微积分向任意阶的推广,是一种解决工程力学建模问题的主要工具,目前广泛应用于岩石蠕变建模.殷德顺等[15 ] 利用R-L分数阶微积分算子理论,给出了一种用于模拟理想固体与理想流体之间的土体的软体元件和本构模型.Zhou等[16 ] 将西原体中牛顿黏壶替换成常系数Abel黏壶,建立了新的分数阶导数模型.何利军等[17 ] 利用分数阶修正了Burger模型,提出了一种描述软黏土蠕变模型.周宏伟等[18 ] 在常系数Abel黏壶的基础上,提出了一种新的变系数Abel黏壶,并构建了基于分数阶导数的岩盐蠕变模型.吴斐等[19 ] 提出了一种分数阶非线性黏壶元件,从而建立了新的分数阶非线性蠕变本构方程.丁靖洋等[20 ] 在经典三元件模型基础上,构建了基于损伤演化的分数阶三元件模型.Wu等[21 ] 基于分数阶导数理论,建立了盐岩的分数阶黏弹塑性蠕变本模型,根据室内试验结果验证了该模型的合理性. ...
A creep constitutive model for salt rock based on fractional derivatives
2
2011
... 分数阶微积分是整数阶微积分向任意阶的推广,是一种解决工程力学建模问题的主要工具,目前广泛应用于岩石蠕变建模.殷德顺等[15 ] 利用R-L分数阶微积分算子理论,给出了一种用于模拟理想固体与理想流体之间的土体的软体元件和本构模型.Zhou等[16 ] 将西原体中牛顿黏壶替换成常系数Abel黏壶,建立了新的分数阶导数模型.何利军等[17 ] 利用分数阶修正了Burger模型,提出了一种描述软黏土蠕变模型.周宏伟等[18 ] 在常系数Abel黏壶的基础上,提出了一种新的变系数Abel黏壶,并构建了基于分数阶导数的岩盐蠕变模型.吴斐等[19 ] 提出了一种分数阶非线性黏壶元件,从而建立了新的分数阶非线性蠕变本构方程.丁靖洋等[20 ] 在经典三元件模型基础上,构建了基于损伤演化的分数阶三元件模型.Wu等[21 ] 基于分数阶导数理论,建立了盐岩的分数阶黏弹塑性蠕变本模型,根据室内试验结果验证了该模型的合理性. ...
... 关于分数阶蠕变本构模型中应力水平$\sigma $的影响,分数阶导数$\gamma $的影响,以及岩性系数$\alpha$的影响,Zhou等[16 ] 和周宏伟等[18 ] 已进行过深入分析,故本文不再赘述.本文仅对引入的酸腐蚀劣化衰减系数$\beta$进行分析,参照试验结果以及表2 的拟合参数结果,将表2 中pH=6的参数代入式(22),在保持其他参数不变的情况下,改变参数$\beta$的值,得到一组不同$\beta $条件下的蠕变曲线,如图9 所示.可见,随着$\beta$的减小,应变逐渐增大,减速蠕变阶段、稳定蠕变阶段、加速蠕变阶段的时间均缩短,表明$\beta$主要影响蠕变应变以及蠕变三个阶段的时间长短. ...
采用分数阶导数描述软黏土蠕变的模型
1
2011
... 分数阶微积分是整数阶微积分向任意阶的推广,是一种解决工程力学建模问题的主要工具,目前广泛应用于岩石蠕变建模.殷德顺等[15 ] 利用R-L分数阶微积分算子理论,给出了一种用于模拟理想固体与理想流体之间的土体的软体元件和本构模型.Zhou等[16 ] 将西原体中牛顿黏壶替换成常系数Abel黏壶,建立了新的分数阶导数模型.何利军等[17 ] 利用分数阶修正了Burger模型,提出了一种描述软黏土蠕变模型.周宏伟等[18 ] 在常系数Abel黏壶的基础上,提出了一种新的变系数Abel黏壶,并构建了基于分数阶导数的岩盐蠕变模型.吴斐等[19 ] 提出了一种分数阶非线性黏壶元件,从而建立了新的分数阶非线性蠕变本构方程.丁靖洋等[20 ] 在经典三元件模型基础上,构建了基于损伤演化的分数阶三元件模型.Wu等[21 ] 基于分数阶导数理论,建立了盐岩的分数阶黏弹塑性蠕变本模型,根据室内试验结果验证了该模型的合理性. ...
采用分数阶导数描述软黏土蠕变的模型
1
2011
... 分数阶微积分是整数阶微积分向任意阶的推广,是一种解决工程力学建模问题的主要工具,目前广泛应用于岩石蠕变建模.殷德顺等[15 ] 利用R-L分数阶微积分算子理论,给出了一种用于模拟理想固体与理想流体之间的土体的软体元件和本构模型.Zhou等[16 ] 将西原体中牛顿黏壶替换成常系数Abel黏壶,建立了新的分数阶导数模型.何利军等[17 ] 利用分数阶修正了Burger模型,提出了一种描述软黏土蠕变模型.周宏伟等[18 ] 在常系数Abel黏壶的基础上,提出了一种新的变系数Abel黏壶,并构建了基于分数阶导数的岩盐蠕变模型.吴斐等[19 ] 提出了一种分数阶非线性黏壶元件,从而建立了新的分数阶非线性蠕变本构方程.丁靖洋等[20 ] 在经典三元件模型基础上,构建了基于损伤演化的分数阶三元件模型.Wu等[21 ] 基于分数阶导数理论,建立了盐岩的分数阶黏弹塑性蠕变本模型,根据室内试验结果验证了该模型的合理性. ...
基于分数阶导数的盐岩流变本构模型
5
2012
... 分数阶微积分是整数阶微积分向任意阶的推广,是一种解决工程力学建模问题的主要工具,目前广泛应用于岩石蠕变建模.殷德顺等[15 ] 利用R-L分数阶微积分算子理论,给出了一种用于模拟理想固体与理想流体之间的土体的软体元件和本构模型.Zhou等[16 ] 将西原体中牛顿黏壶替换成常系数Abel黏壶,建立了新的分数阶导数模型.何利军等[17 ] 利用分数阶修正了Burger模型,提出了一种描述软黏土蠕变模型.周宏伟等[18 ] 在常系数Abel黏壶的基础上,提出了一种新的变系数Abel黏壶,并构建了基于分数阶导数的岩盐蠕变模型.吴斐等[19 ] 提出了一种分数阶非线性黏壶元件,从而建立了新的分数阶非线性蠕变本构方程.丁靖洋等[20 ] 在经典三元件模型基础上,构建了基于损伤演化的分数阶三元件模型.Wu等[21 ] 基于分数阶导数理论,建立了盐岩的分数阶黏弹塑性蠕变本模型,根据室内试验结果验证了该模型的合理性. ...
... (1) 常系数Abel黏壶:常系数Abel黏壶本构方程[18 ,22 ] 为 ...
... (2) 考虑酸腐蚀的变系数Abel黏壶:周宏伟等[18 ] 在常系数Abel黏壶的基础上,考虑了载荷作用时间的影响,引入了定义为负指数函数形式的损伤变量$D=1-\mathrm{e}^{-\alpha t}$来描述岩盐流变损伤演化规律.岩石处在水化学的环境中,其不仅受到加载过程中应力造成的损伤,还受到化学腐蚀的影响,导致其结构发生变化,孔隙增大,产生化学损伤,即化学腐蚀加剧了岩石的蠕变损伤[13 ,23 ] .研究表明,当对岩石的载荷达到或者超过一定应力水平时,岩石内部才会产生损伤,并出现加速蠕变阶段[13 ,23 -24 ] .所以本文仅对黏性系数考虑应力和化学腐蚀损伤的影响.通过对蠕变试验结果进一步分析,计算出试样加速蠕变阶段的平均应变速率,pH=5, pH=6,pH=7的试样加速蠕变阶段平均应变速率分别为2.72,$\times$,10$^{-3}$ h$^{-1}$, 1.01,$\times$,10$^{-3}$ h$^{-1}$, 4.07,$\times$,10$^{-4}$ h$^{-1}$.分析试样加速蠕变阶段平均应变速率可知,随着pH的减小,试样在加速蠕变阶段平均应变速率基本呈线性增加.表明酸的存在,影响了岩石的加速蠕变阶段,且酸性越强,效果越明显.黏性元件的本构关系[25 ] 为 ...
... 由式(2)可知,应力$\sigma $保持不变时,当应变速率$\varepsilon'$呈线性增加时,黏性系数$\eta$呈线性衰减.结合图6 可知酸腐蚀作用造成了黏性系数劣化衰减从而促进了岩石的加速蠕变.参考高峰等[26 ] 通过研究温度对介质黏性的影响所提出的黏性衰减系数,在周宏伟等[18 ] 提出的变系数Abel黏壶基础上,引入酸腐蚀劣化衰减系数$\beta$(0<$\beta$≤1),当$\beta=1$时,表示没有酸腐蚀作用,当0<$\beta$<1时,$\beta$越小,表示pH越小,酸性越强,对岩石的腐蚀作用越大,即黏塑性体中有 ...
... 关于分数阶蠕变本构模型中应力水平$\sigma $的影响,分数阶导数$\gamma $的影响,以及岩性系数$\alpha$的影响,Zhou等[16 ] 和周宏伟等[18 ] 已进行过深入分析,故本文不再赘述.本文仅对引入的酸腐蚀劣化衰减系数$\beta$进行分析,参照试验结果以及表2 的拟合参数结果,将表2 中pH=6的参数代入式(22),在保持其他参数不变的情况下,改变参数$\beta$的值,得到一组不同$\beta $条件下的蠕变曲线,如图9 所示.可见,随着$\beta$的减小,应变逐渐增大,减速蠕变阶段、稳定蠕变阶段、加速蠕变阶段的时间均缩短,表明$\beta$主要影响蠕变应变以及蠕变三个阶段的时间长短. ...
基于分数阶导数的盐岩流变本构模型
5
2012
... 分数阶微积分是整数阶微积分向任意阶的推广,是一种解决工程力学建模问题的主要工具,目前广泛应用于岩石蠕变建模.殷德顺等[15 ] 利用R-L分数阶微积分算子理论,给出了一种用于模拟理想固体与理想流体之间的土体的软体元件和本构模型.Zhou等[16 ] 将西原体中牛顿黏壶替换成常系数Abel黏壶,建立了新的分数阶导数模型.何利军等[17 ] 利用分数阶修正了Burger模型,提出了一种描述软黏土蠕变模型.周宏伟等[18 ] 在常系数Abel黏壶的基础上,提出了一种新的变系数Abel黏壶,并构建了基于分数阶导数的岩盐蠕变模型.吴斐等[19 ] 提出了一种分数阶非线性黏壶元件,从而建立了新的分数阶非线性蠕变本构方程.丁靖洋等[20 ] 在经典三元件模型基础上,构建了基于损伤演化的分数阶三元件模型.Wu等[21 ] 基于分数阶导数理论,建立了盐岩的分数阶黏弹塑性蠕变本模型,根据室内试验结果验证了该模型的合理性. ...
... (1) 常系数Abel黏壶:常系数Abel黏壶本构方程[18 ,22 ] 为 ...
... (2) 考虑酸腐蚀的变系数Abel黏壶:周宏伟等[18 ] 在常系数Abel黏壶的基础上,考虑了载荷作用时间的影响,引入了定义为负指数函数形式的损伤变量$D=1-\mathrm{e}^{-\alpha t}$来描述岩盐流变损伤演化规律.岩石处在水化学的环境中,其不仅受到加载过程中应力造成的损伤,还受到化学腐蚀的影响,导致其结构发生变化,孔隙增大,产生化学损伤,即化学腐蚀加剧了岩石的蠕变损伤[13 ,23 ] .研究表明,当对岩石的载荷达到或者超过一定应力水平时,岩石内部才会产生损伤,并出现加速蠕变阶段[13 ,23 -24 ] .所以本文仅对黏性系数考虑应力和化学腐蚀损伤的影响.通过对蠕变试验结果进一步分析,计算出试样加速蠕变阶段的平均应变速率,pH=5, pH=6,pH=7的试样加速蠕变阶段平均应变速率分别为2.72,$\times$,10$^{-3}$ h$^{-1}$, 1.01,$\times$,10$^{-3}$ h$^{-1}$, 4.07,$\times$,10$^{-4}$ h$^{-1}$.分析试样加速蠕变阶段平均应变速率可知,随着pH的减小,试样在加速蠕变阶段平均应变速率基本呈线性增加.表明酸的存在,影响了岩石的加速蠕变阶段,且酸性越强,效果越明显.黏性元件的本构关系[25 ] 为 ...
... 由式(2)可知,应力$\sigma $保持不变时,当应变速率$\varepsilon'$呈线性增加时,黏性系数$\eta$呈线性衰减.结合图6 可知酸腐蚀作用造成了黏性系数劣化衰减从而促进了岩石的加速蠕变.参考高峰等[26 ] 通过研究温度对介质黏性的影响所提出的黏性衰减系数,在周宏伟等[18 ] 提出的变系数Abel黏壶基础上,引入酸腐蚀劣化衰减系数$\beta$(0<$\beta$≤1),当$\beta=1$时,表示没有酸腐蚀作用,当0<$\beta$<1时,$\beta$越小,表示pH越小,酸性越强,对岩石的腐蚀作用越大,即黏塑性体中有 ...
... 关于分数阶蠕变本构模型中应力水平$\sigma $的影响,分数阶导数$\gamma $的影响,以及岩性系数$\alpha$的影响,Zhou等[16 ] 和周宏伟等[18 ] 已进行过深入分析,故本文不再赘述.本文仅对引入的酸腐蚀劣化衰减系数$\beta$进行分析,参照试验结果以及表2 的拟合参数结果,将表2 中pH=6的参数代入式(22),在保持其他参数不变的情况下,改变参数$\beta$的值,得到一组不同$\beta $条件下的蠕变曲线,如图9 所示.可见,随着$\beta$的减小,应变逐渐增大,减速蠕变阶段、稳定蠕变阶段、加速蠕变阶段的时间均缩短,表明$\beta$主要影响蠕变应变以及蠕变三个阶段的时间长短. ...
盐岩的分数阶非线性蠕变本构模型
1
2014
... 分数阶微积分是整数阶微积分向任意阶的推广,是一种解决工程力学建模问题的主要工具,目前广泛应用于岩石蠕变建模.殷德顺等[15 ] 利用R-L分数阶微积分算子理论,给出了一种用于模拟理想固体与理想流体之间的土体的软体元件和本构模型.Zhou等[16 ] 将西原体中牛顿黏壶替换成常系数Abel黏壶,建立了新的分数阶导数模型.何利军等[17 ] 利用分数阶修正了Burger模型,提出了一种描述软黏土蠕变模型.周宏伟等[18 ] 在常系数Abel黏壶的基础上,提出了一种新的变系数Abel黏壶,并构建了基于分数阶导数的岩盐蠕变模型.吴斐等[19 ] 提出了一种分数阶非线性黏壶元件,从而建立了新的分数阶非线性蠕变本构方程.丁靖洋等[20 ] 在经典三元件模型基础上,构建了基于损伤演化的分数阶三元件模型.Wu等[21 ] 基于分数阶导数理论,建立了盐岩的分数阶黏弹塑性蠕变本模型,根据室内试验结果验证了该模型的合理性. ...
盐岩的分数阶非线性蠕变本构模型
1
2014
... 分数阶微积分是整数阶微积分向任意阶的推广,是一种解决工程力学建模问题的主要工具,目前广泛应用于岩石蠕变建模.殷德顺等[15 ] 利用R-L分数阶微积分算子理论,给出了一种用于模拟理想固体与理想流体之间的土体的软体元件和本构模型.Zhou等[16 ] 将西原体中牛顿黏壶替换成常系数Abel黏壶,建立了新的分数阶导数模型.何利军等[17 ] 利用分数阶修正了Burger模型,提出了一种描述软黏土蠕变模型.周宏伟等[18 ] 在常系数Abel黏壶的基础上,提出了一种新的变系数Abel黏壶,并构建了基于分数阶导数的岩盐蠕变模型.吴斐等[19 ] 提出了一种分数阶非线性黏壶元件,从而建立了新的分数阶非线性蠕变本构方程.丁靖洋等[20 ] 在经典三元件模型基础上,构建了基于损伤演化的分数阶三元件模型.Wu等[21 ] 基于分数阶导数理论,建立了盐岩的分数阶黏弹塑性蠕变本模型,根据室内试验结果验证了该模型的合理性. ...
盐岩分数阶三元件本构模型研究
1
2014
... 分数阶微积分是整数阶微积分向任意阶的推广,是一种解决工程力学建模问题的主要工具,目前广泛应用于岩石蠕变建模.殷德顺等[15 ] 利用R-L分数阶微积分算子理论,给出了一种用于模拟理想固体与理想流体之间的土体的软体元件和本构模型.Zhou等[16 ] 将西原体中牛顿黏壶替换成常系数Abel黏壶,建立了新的分数阶导数模型.何利军等[17 ] 利用分数阶修正了Burger模型,提出了一种描述软黏土蠕变模型.周宏伟等[18 ] 在常系数Abel黏壶的基础上,提出了一种新的变系数Abel黏壶,并构建了基于分数阶导数的岩盐蠕变模型.吴斐等[19 ] 提出了一种分数阶非线性黏壶元件,从而建立了新的分数阶非线性蠕变本构方程.丁靖洋等[20 ] 在经典三元件模型基础上,构建了基于损伤演化的分数阶三元件模型.Wu等[21 ] 基于分数阶导数理论,建立了盐岩的分数阶黏弹塑性蠕变本模型,根据室内试验结果验证了该模型的合理性. ...
盐岩分数阶三元件本构模型研究
1
2014
... 分数阶微积分是整数阶微积分向任意阶的推广,是一种解决工程力学建模问题的主要工具,目前广泛应用于岩石蠕变建模.殷德顺等[15 ] 利用R-L分数阶微积分算子理论,给出了一种用于模拟理想固体与理想流体之间的土体的软体元件和本构模型.Zhou等[16 ] 将西原体中牛顿黏壶替换成常系数Abel黏壶,建立了新的分数阶导数模型.何利军等[17 ] 利用分数阶修正了Burger模型,提出了一种描述软黏土蠕变模型.周宏伟等[18 ] 在常系数Abel黏壶的基础上,提出了一种新的变系数Abel黏壶,并构建了基于分数阶导数的岩盐蠕变模型.吴斐等[19 ] 提出了一种分数阶非线性黏壶元件,从而建立了新的分数阶非线性蠕变本构方程.丁靖洋等[20 ] 在经典三元件模型基础上,构建了基于损伤演化的分数阶三元件模型.Wu等[21 ] 基于分数阶导数理论,建立了盐岩的分数阶黏弹塑性蠕变本模型,根据室内试验结果验证了该模型的合理性. ...
Viscoelastic-plastic damage creep model for salt rock based on fractional derivative theory
1
2020
... 分数阶微积分是整数阶微积分向任意阶的推广,是一种解决工程力学建模问题的主要工具,目前广泛应用于岩石蠕变建模.殷德顺等[15 ] 利用R-L分数阶微积分算子理论,给出了一种用于模拟理想固体与理想流体之间的土体的软体元件和本构模型.Zhou等[16 ] 将西原体中牛顿黏壶替换成常系数Abel黏壶,建立了新的分数阶导数模型.何利军等[17 ] 利用分数阶修正了Burger模型,提出了一种描述软黏土蠕变模型.周宏伟等[18 ] 在常系数Abel黏壶的基础上,提出了一种新的变系数Abel黏壶,并构建了基于分数阶导数的岩盐蠕变模型.吴斐等[19 ] 提出了一种分数阶非线性黏壶元件,从而建立了新的分数阶非线性蠕变本构方程.丁靖洋等[20 ] 在经典三元件模型基础上,构建了基于损伤演化的分数阶三元件模型.Wu等[21 ] 基于分数阶导数理论,建立了盐岩的分数阶黏弹塑性蠕变本模型,根据室内试验结果验证了该模型的合理性. ...
Explicit solutions to hyper-Bessel integral equations of second kind
1
1999
... (1) 常系数Abel黏壶:常系数Abel黏壶本构方程[18 ,22 ] 为 ...
Damage evolution mechanism and constitutive model of freeze- thaw yellow sandstone in acidic environment
2
2018
... (2) 考虑酸腐蚀的变系数Abel黏壶:周宏伟等[18 ] 在常系数Abel黏壶的基础上,考虑了载荷作用时间的影响,引入了定义为负指数函数形式的损伤变量$D=1-\mathrm{e}^{-\alpha t}$来描述岩盐流变损伤演化规律.岩石处在水化学的环境中,其不仅受到加载过程中应力造成的损伤,还受到化学腐蚀的影响,导致其结构发生变化,孔隙增大,产生化学损伤,即化学腐蚀加剧了岩石的蠕变损伤[13 ,23 ] .研究表明,当对岩石的载荷达到或者超过一定应力水平时,岩石内部才会产生损伤,并出现加速蠕变阶段[13 ,23 -24 ] .所以本文仅对黏性系数考虑应力和化学腐蚀损伤的影响.通过对蠕变试验结果进一步分析,计算出试样加速蠕变阶段的平均应变速率,pH=5, pH=6,pH=7的试样加速蠕变阶段平均应变速率分别为2.72,$\times$,10$^{-3}$ h$^{-1}$, 1.01,$\times$,10$^{-3}$ h$^{-1}$, 4.07,$\times$,10$^{-4}$ h$^{-1}$.分析试样加速蠕变阶段平均应变速率可知,随着pH的减小,试样在加速蠕变阶段平均应变速率基本呈线性增加.表明酸的存在,影响了岩石的加速蠕变阶段,且酸性越强,效果越明显.黏性元件的本构关系[25 ] 为 ...
... ,23 -24 ].所以本文仅对黏性系数考虑应力和化学腐蚀损伤的影响.通过对蠕变试验结果进一步分析,计算出试样加速蠕变阶段的平均应变速率,pH=5, pH=6,pH=7的试样加速蠕变阶段平均应变速率分别为2.72,$\times$,10$^{-3}$ h$^{-1}$, 1.01,$\times$,10$^{-3}$ h$^{-1}$, 4.07,$\times$,10$^{-4}$ h$^{-1}$.分析试样加速蠕变阶段平均应变速率可知,随着pH的减小,试样在加速蠕变阶段平均应变速率基本呈线性增加.表明酸的存在,影响了岩石的加速蠕变阶段,且酸性越强,效果越明显.黏性元件的本构关系[25 ] 为 ...
考虑温度影响的花岗岩蠕变全过程本构模型研究
1
2014
... (2) 考虑酸腐蚀的变系数Abel黏壶:周宏伟等[18 ] 在常系数Abel黏壶的基础上,考虑了载荷作用时间的影响,引入了定义为负指数函数形式的损伤变量$D=1-\mathrm{e}^{-\alpha t}$来描述岩盐流变损伤演化规律.岩石处在水化学的环境中,其不仅受到加载过程中应力造成的损伤,还受到化学腐蚀的影响,导致其结构发生变化,孔隙增大,产生化学损伤,即化学腐蚀加剧了岩石的蠕变损伤[13 ,23 ] .研究表明,当对岩石的载荷达到或者超过一定应力水平时,岩石内部才会产生损伤,并出现加速蠕变阶段[13 ,23 -24 ] .所以本文仅对黏性系数考虑应力和化学腐蚀损伤的影响.通过对蠕变试验结果进一步分析,计算出试样加速蠕变阶段的平均应变速率,pH=5, pH=6,pH=7的试样加速蠕变阶段平均应变速率分别为2.72,$\times$,10$^{-3}$ h$^{-1}$, 1.01,$\times$,10$^{-3}$ h$^{-1}$, 4.07,$\times$,10$^{-4}$ h$^{-1}$.分析试样加速蠕变阶段平均应变速率可知,随着pH的减小,试样在加速蠕变阶段平均应变速率基本呈线性增加.表明酸的存在,影响了岩石的加速蠕变阶段,且酸性越强,效果越明显.黏性元件的本构关系[25 ] 为 ...
考虑温度影响的花岗岩蠕变全过程本构模型研究
1
2014
... (2) 考虑酸腐蚀的变系数Abel黏壶:周宏伟等[18 ] 在常系数Abel黏壶的基础上,考虑了载荷作用时间的影响,引入了定义为负指数函数形式的损伤变量$D=1-\mathrm{e}^{-\alpha t}$来描述岩盐流变损伤演化规律.岩石处在水化学的环境中,其不仅受到加载过程中应力造成的损伤,还受到化学腐蚀的影响,导致其结构发生变化,孔隙增大,产生化学损伤,即化学腐蚀加剧了岩石的蠕变损伤[13 ,23 ] .研究表明,当对岩石的载荷达到或者超过一定应力水平时,岩石内部才会产生损伤,并出现加速蠕变阶段[13 ,23 -24 ] .所以本文仅对黏性系数考虑应力和化学腐蚀损伤的影响.通过对蠕变试验结果进一步分析,计算出试样加速蠕变阶段的平均应变速率,pH=5, pH=6,pH=7的试样加速蠕变阶段平均应变速率分别为2.72,$\times$,10$^{-3}$ h$^{-1}$, 1.01,$\times$,10$^{-3}$ h$^{-1}$, 4.07,$\times$,10$^{-4}$ h$^{-1}$.分析试样加速蠕变阶段平均应变速率可知,随着pH的减小,试样在加速蠕变阶段平均应变速率基本呈线性增加.表明酸的存在,影响了岩石的加速蠕变阶段,且酸性越强,效果越明显.黏性元件的本构关系[25 ] 为 ...
2
2002
... (2) 考虑酸腐蚀的变系数Abel黏壶:周宏伟等[18 ] 在常系数Abel黏壶的基础上,考虑了载荷作用时间的影响,引入了定义为负指数函数形式的损伤变量$D=1-\mathrm{e}^{-\alpha t}$来描述岩盐流变损伤演化规律.岩石处在水化学的环境中,其不仅受到加载过程中应力造成的损伤,还受到化学腐蚀的影响,导致其结构发生变化,孔隙增大,产生化学损伤,即化学腐蚀加剧了岩石的蠕变损伤[13 ,23 ] .研究表明,当对岩石的载荷达到或者超过一定应力水平时,岩石内部才会产生损伤,并出现加速蠕变阶段[13 ,23 -24 ] .所以本文仅对黏性系数考虑应力和化学腐蚀损伤的影响.通过对蠕变试验结果进一步分析,计算出试样加速蠕变阶段的平均应变速率,pH=5, pH=6,pH=7的试样加速蠕变阶段平均应变速率分别为2.72,$\times$,10$^{-3}$ h$^{-1}$, 1.01,$\times$,10$^{-3}$ h$^{-1}$, 4.07,$\times$,10$^{-4}$ h$^{-1}$.分析试样加速蠕变阶段平均应变速率可知,随着pH的减小,试样在加速蠕变阶段平均应变速率基本呈线性增加.表明酸的存在,影响了岩石的加速蠕变阶段,且酸性越强,效果越明显.黏性元件的本构关系[25 ] 为 ...
... 岩石的蠕变过程一般分为瞬态蠕变、稳态蠕变和加速蠕变三个阶段,传统的西原模型元件少、能够全面地反映岩石的弹-黏弹-黏塑性特性[25 ] ,但是不能反映岩石的加速蠕变阶段.为了能够精确地描述酸腐蚀条件下岩石的三个蠕变阶段,本文采用考虑酸腐蚀的分数阶变系数黏壶代替西原模型中黏塑性体的牛顿黏壶,从而建立考虑酸腐蚀的分数阶蠕变本构模型(图7 ). ...
2
2002
... (2) 考虑酸腐蚀的变系数Abel黏壶:周宏伟等[18 ] 在常系数Abel黏壶的基础上,考虑了载荷作用时间的影响,引入了定义为负指数函数形式的损伤变量$D=1-\mathrm{e}^{-\alpha t}$来描述岩盐流变损伤演化规律.岩石处在水化学的环境中,其不仅受到加载过程中应力造成的损伤,还受到化学腐蚀的影响,导致其结构发生变化,孔隙增大,产生化学损伤,即化学腐蚀加剧了岩石的蠕变损伤[13 ,23 ] .研究表明,当对岩石的载荷达到或者超过一定应力水平时,岩石内部才会产生损伤,并出现加速蠕变阶段[13 ,23 -24 ] .所以本文仅对黏性系数考虑应力和化学腐蚀损伤的影响.通过对蠕变试验结果进一步分析,计算出试样加速蠕变阶段的平均应变速率,pH=5, pH=6,pH=7的试样加速蠕变阶段平均应变速率分别为2.72,$\times$,10$^{-3}$ h$^{-1}$, 1.01,$\times$,10$^{-3}$ h$^{-1}$, 4.07,$\times$,10$^{-4}$ h$^{-1}$.分析试样加速蠕变阶段平均应变速率可知,随着pH的减小,试样在加速蠕变阶段平均应变速率基本呈线性增加.表明酸的存在,影响了岩石的加速蠕变阶段,且酸性越强,效果越明显.黏性元件的本构关系[25 ] 为 ...
... 岩石的蠕变过程一般分为瞬态蠕变、稳态蠕变和加速蠕变三个阶段,传统的西原模型元件少、能够全面地反映岩石的弹-黏弹-黏塑性特性[25 ] ,但是不能反映岩石的加速蠕变阶段.为了能够精确地描述酸腐蚀条件下岩石的三个蠕变阶段,本文采用考虑酸腐蚀的分数阶变系数黏壶代替西原模型中黏塑性体的牛顿黏壶,从而建立考虑酸腐蚀的分数阶蠕变本构模型(图7 ). ...
岩石热黏弹塑性模型研究
1
2009
... 由式(2)可知,应力$\sigma $保持不变时,当应变速率$\varepsilon'$呈线性增加时,黏性系数$\eta$呈线性衰减.结合图6 可知酸腐蚀作用造成了黏性系数劣化衰减从而促进了岩石的加速蠕变.参考高峰等[26 ] 通过研究温度对介质黏性的影响所提出的黏性衰减系数,在周宏伟等[18 ] 提出的变系数Abel黏壶基础上,引入酸腐蚀劣化衰减系数$\beta$(0<$\beta$≤1),当$\beta=1$时,表示没有酸腐蚀作用,当0<$\beta$<1时,$\beta$越小,表示pH越小,酸性越强,对岩石的腐蚀作用越大,即黏塑性体中有 ...
岩石热黏弹塑性模型研究
1
2009
... 由式(2)可知,应力$\sigma $保持不变时,当应变速率$\varepsilon'$呈线性增加时,黏性系数$\eta$呈线性衰减.结合图6 可知酸腐蚀作用造成了黏性系数劣化衰减从而促进了岩石的加速蠕变.参考高峰等[26 ] 通过研究温度对介质黏性的影响所提出的黏性衰减系数,在周宏伟等[18 ] 提出的变系数Abel黏壶基础上,引入酸腐蚀劣化衰减系数$\beta$(0<$\beta$≤1),当$\beta=1$时,表示没有酸腐蚀作用,当0<$\beta$<1时,$\beta$越小,表示pH越小,酸性越强,对岩石的腐蚀作用越大,即黏塑性体中有 ...